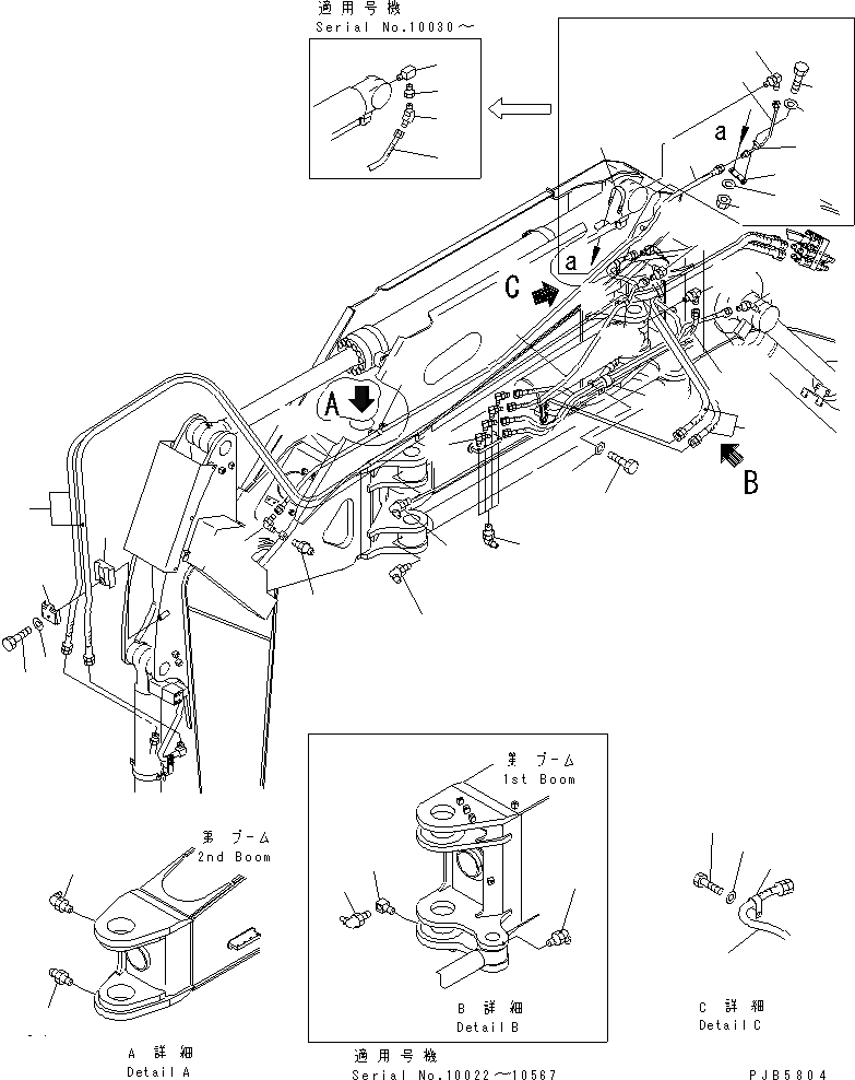
Запчасти Komatsu PC228UU-1 OFFSET СТРЕЛА (КОВШ¤ OFFSET ЦИЛИНДР И СИСТЕМА СМАЗКИ)(№-) РАБОЧЕЕ ОБОРУДОВАНИЕ

Схема запчастей Komatsu PC228UU-1 - OFFSET СТРЕЛА (КОВШ¤ OFFSET ЦИЛИНДР И СИСТЕМА СМАЗКИ)(№-) РАБОЧЕЕ ОБОРУДОВАНИЕ
1
1
2
2
3
4
5
6
7
8
9
9
10
11
11
12
13
14
15
16
17
18
19
20
21
22
23
23
23
24
25
26
27
27
28
28
29
29
30
31
32
33
34
35
36
36
36
36
37
38
39
FIT
1:1
100%

Артикул

Название

Примечание

Количество

1

22U-62-14111

HOSE

2

22U-70-12160

CUSHION

3

22U-70-12170

CUSHION

4

01010-81225

BOLT

5

01643-31232

WASHER

6

22U-62-14120

HOSE ASS'Y

7

07020-00900

FITTING

8

20Y-25-11270

ELBOW

9

07183-00220

HOSE

10

07183-00219

HOSE

11

203-70-56550

ELBOW

12

08036-01214

CLIP

13

01010-81220

BOLT

14

01643-31232

WASHER

15

07183-00214

HOSE

16

22W-44-13660

ELBOW

17

08036-01214

CLIP

18

07183-00212

HOSE

19

22W-44-13660

ELBOW

20

08036-03014

CLIP

21

01010-81220

BOLT

22

01643-31232

WASHER

23

07183-00229

HOSE

|23

07183-00224

HOSE

24

08036-01214

CLIP

25

567-35-12160

ELBOW

|25

203-62-42920

ELBOW

26

07020-00000

FITTING

27

421-70-13140

ELBOW

|27

22U-70-11460

TUBE

28

07326-10201

ADAPTER

|28

22U-70-11470

PLATE

29

22W-44-13530

ELBOW

|29

07283-23442

CLIP

30

01597-01011

NUT

31

01643-31032

WASHER

32

04434-50810

CLIP

33

01010-81025

BOLT

34

01643-31032

WASHER

35

203-62-42920

ELBOW

36

07020-00675

FITTING

|36

07020-00675

FITTING

37

07020-00000

FITTING

38

07020-00900

FITTING

39

424-S95-2470

ELBOW

Выбрано товаров: 45