Запчасти Komatsu PC228UU-1 OFFSET СТРЕЛА (ЛАМПА РАБОЧ. ОСВЕЩЕНИЯ И ЦИЛИНДР СТРЕЛЫCOVER)(№-) РАБОЧЕЕ ОБОРУДОВАНИЕ

Схема запчастей Komatsu PC228UU-1 - OFFSET СТРЕЛА (ЛАМПА РАБОЧ. ОСВЕЩЕНИЯ И ЦИЛИНДР СТРЕЛЫCOVER)(№-) РАБОЧЕЕ ОБОРУДОВАНИЕ
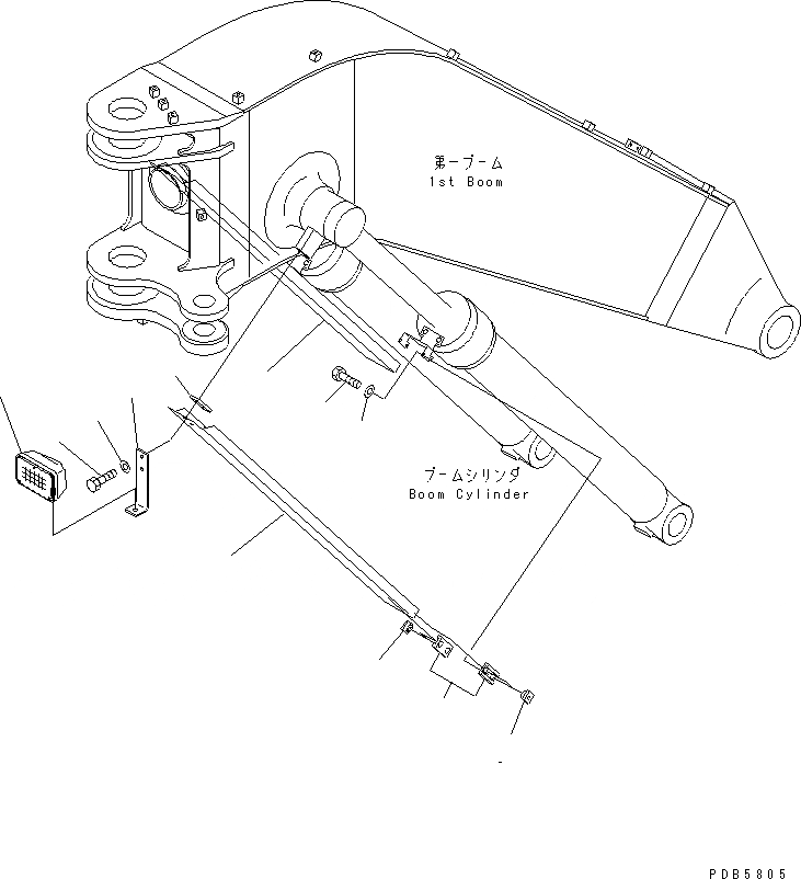
1
1
1A
2
3
4
5
5
6
7
8
9
FIT
1:1
100%

Артикул

Название

Примечание

Количество

1

22U-70-11172

COVER

|1

22U-70-11171

COVER

1A

22T-70-18650

SPACER

2

01010-81050

BOLT

|2

01010-81035

BOLT

3

01643-31032

WASHER

4

20T-70-71630

PAD

5

20T-70-71640

COLLAR

6

01010-80816

BOLT

7

01643-30823

WASHER

8

20Y-06-25310

WORK LAMP ASS'Y

|8

20Y-06-21480

WORK LAMP ASS'Y

|8

421-06-23330

BULB¤ 70W,24V 70W

9

22U-06-12420

BRACKET

|9

21Y-70-14550

BRACKET

Выбрано товаров: 15