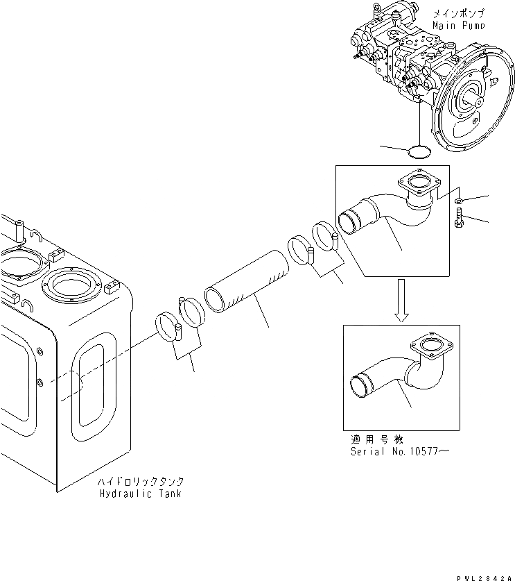
Запчасти Komatsu PC228UU-1-TN ВСАСЫВ. ЛИНИЯ(№-) ГИДРАВЛИКА

Схема запчастей Komatsu PC228UU-1-TN - ВСАСЫВ. ЛИНИЯ(№-) ГИДРАВЛИКА
1
2
2
3
3
4
5
6
FIT
1:1
100%

Артикул

Название

Примечание

Количество

1

07260-08732

HOSE

2

07289-00105

CLAMP

3

22U-62-14911

ELBOW

|3

22U-62-11431

ELBOW

4

07000-12085

O-RING

|4

07000-02085

O-RING

5

01010-81235

BOLT

|5

01010-51235

BOLT

6

01643-31232

WASHER

Выбрано товаров: 0