Запчасти Komatsu PC230-6 УПРАВЛ-Е ПОДАЧ. ТОПЛИВА(№9-7) КОМПОНЕНТЫ ДВИГАТЕЛЯ

Схема запчастей Komatsu PC230-6 - УПРАВЛ-Е ПОДАЧ. ТОПЛИВА(№9-7) КОМПОНЕНТЫ ДВИГАТЕЛЯ
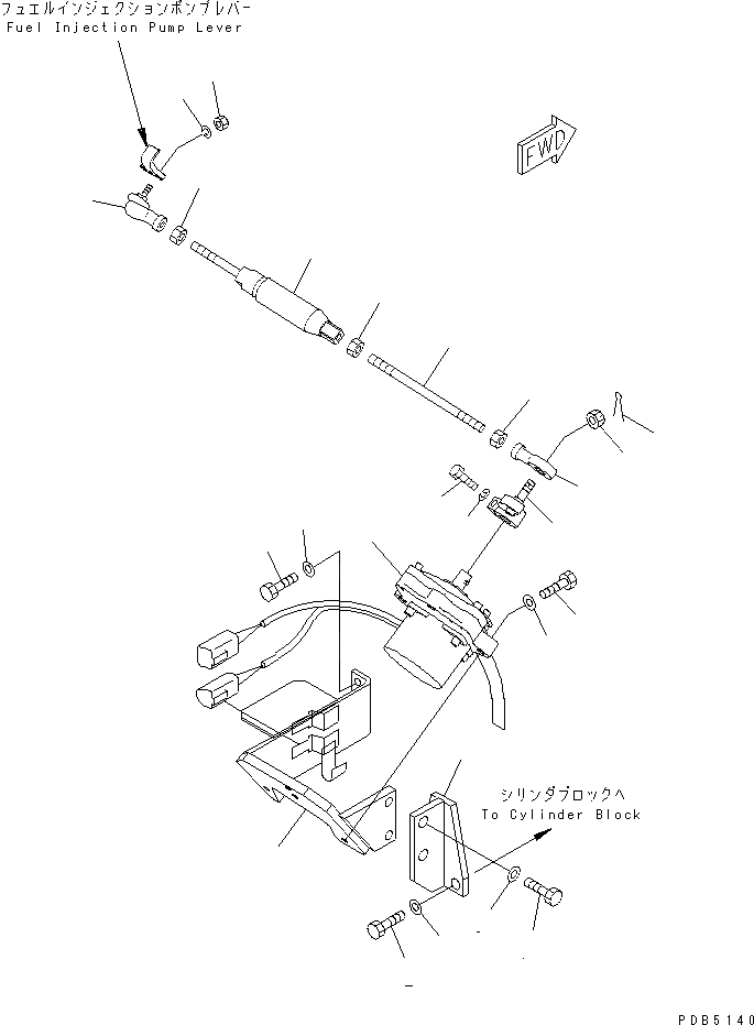
1
2
3
4
5
6
7
8
9
10
11
12
13
14
15
16
17
18
19
20
21
22
23
24
25
FIT
1:1
100%

Артикул

Название

Примечание

Количество

1

20Y-43-23461

BRACKET

2

01010-81230

BOLT

3

01643-31232

WASHER

4

20Y-43-23432

BRACKET

5

01010-80825

BOLT

6

01643-30823

WASHER

7

01010-81230

BOLT

8

01643-31232

WASHER

9

7834-40-2000

MOTOR ASS'Y

10

01010-81040

BOLT

11

01643-31032

WASHER

12

20Y-43-12143

LEVER

13

01010-81030

BOLT

14

01602-21030

WASHER

15

20Y-43-23441

SPRING ASS'Y

16

01582-11008

NUT

17

04248-31018

ROD

18

01508-41006

NUT

19

04250-91056

END

20

01593-31008

NUT

21

04050-12018

PIN

22

01582-11008

NUT

23

20Y-43-12180

JOINT

24

01602-20619

WASHER

25

01580-10605

NUT

Выбрано товаров: 25