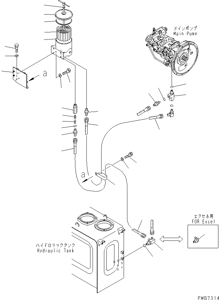
Запчасти Komatsu PC230-6 ФИЛЬТР. КОМПЛЕКТ (BY-PASS ФИЛЬТР.)(№77-) ГИДРАВЛИКА

Схема запчастей Komatsu PC230-6 - ФИЛЬТР. КОМПЛЕКТ (BY-PASS ФИЛЬТР.)(№77-) ГИДРАВЛИКА
1
1
2
3
4
5
6
7
8
9
10
11
12
12
13
13
14
15
16
17
18
19
20
20
21
22
23
24
25
26
FIT
1:1
100%

Артикул

Название

Примечание

Количество

1

208-62-67410

FILTER ASS'Y

2

208-62-67430

ELEMENT

3

208-62-67440

SEAL,WASHER

4

208-62-67450

PACKING

5

01010-81020

BOLT

6

01643-31032

WASHER

7

20Y-62-27730

BRACKET

8

01010-81230

BOLT

9

01643-31232

WASHER

10

203-62-62810

NIPPLE

11

207-62-61680

TEE

12

07002-11423

O-RING

13

07102-20209

HOSE

14

07238-10210

CONNECTOR

|$16

20Y-60-22900

VALVE ASS'Y

15

BODY

16

20Y-60-22920

POPPET

17

701-20-61230

SPRING

18

07002-11423

O-RING

19

20Y-60-22230

NIPPLE

20

07102-20308

HOSE

21

04435-51412

CLIP

22

01010-81220

BOLT

23

01643-31232

WASHER

24

20Y-62-23520

TEE

25

07235-10315

ELBOW,(FOR CUSTOM)

26

07002-12034

O-RING

Выбрано товаров: 0