Запчасти Komatsu PC230LC-6 НАВЕСНОЕ ОБОРУД-Е (НАВЕСНОЕ ОБОРУД-Е КОРПУС) (БЕЗ СТОПОРН. КЛАПАН)(КОМПЛЕКТ)(№-) ГИДРАВЛИКА

Схема запчастей Komatsu PC230LC-6 - НАВЕСНОЕ ОБОРУД-Е (НАВЕСНОЕ ОБОРУД-Е КОРПУС) (БЕЗ СТОПОРН. КЛАПАН)  (КОМПЛЕКТ)(№-) ГИДРАВЛИКА
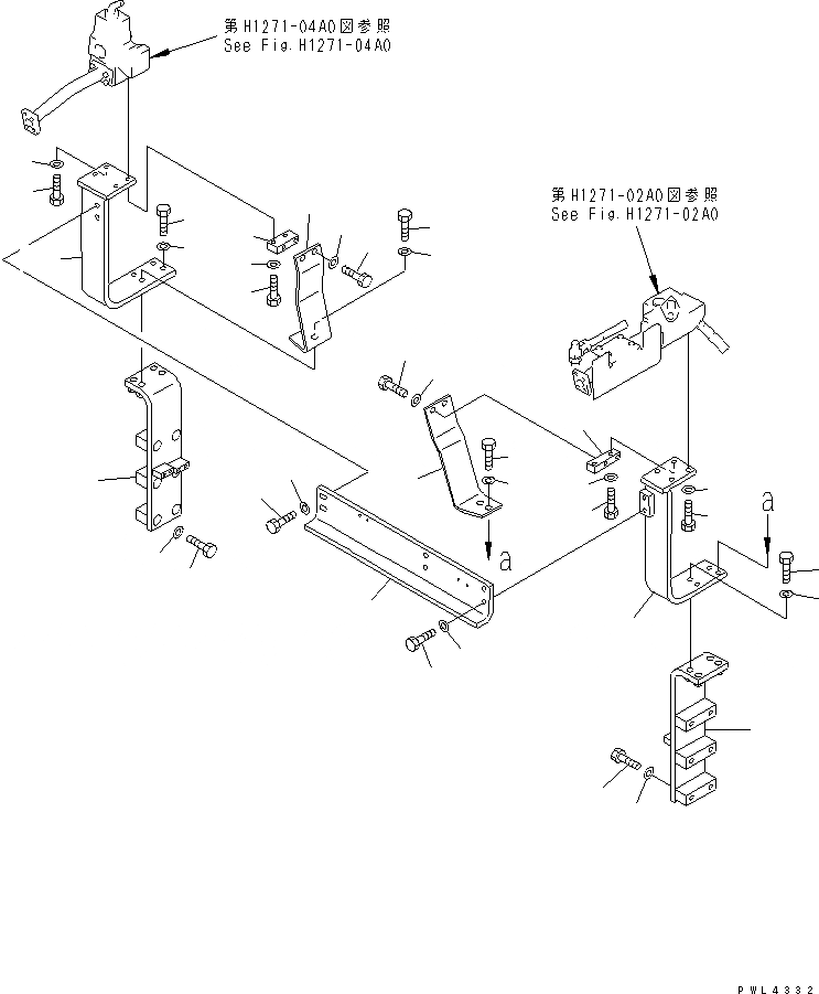
1
2
3
4
4
5
5
6
6
7
7
8
9
10
11
12
13
14
15
16
17
17
18
18
19
19
20
20
21
21
21
21
22
23
24
25
26
FIT
1:1
100%

Артикул

Название

Примечание

Количество

1

206-62-65112

BRACKET

2

01010-81275

BOLT

3

01643-31232

WASHER

4

01010-81660

BOLT

5

01643-31645

WASHER

6

01010-81240

BOLT

7

01643-31232

WASHER

8

206-62-65112

BRACKET

9

01010-81275

BOLT

10

01643-31232

WASHER

11

20Y-62-25183

BRACKET

12

20Y-62-25192

BRACKET

13

20Y-62-25950

BRACKET

14

20Y-62-25960

BRACKET

15

20Y-62-25970

PLATE

16

20Y-62-25980

PLATE

17

01010-81670

BOLT

18

01643-31645

WASHER

19

01010-81230

BOLT

20

01010-81260

BOLT

21

01643-31232

WASHER

22

20Y-62-25232

BRACKET

23

01010-81655

BOLT

24

01643-31645

WASHER

25

01010-81640

BOLT

26

01643-31645

WASHER

Выбрано товаров: 26