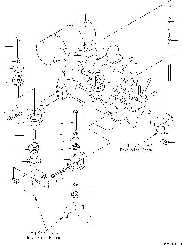
Запчасти Komatsu PC230LC-6 КРЕПЛЕНИЕ ДВИГАТЕЛЯ(№8-98) КОМПОНЕНТЫ ДВИГАТЕЛЯ

Схема запчастей Komatsu PC230LC-6 - КРЕПЛЕНИЕ ДВИГАТЕЛЯ(№8-98) КОМПОНЕНТЫ ДВИГАТЕЛЯ
1
2
3
4
5
6
6
7
8
9
10
11
11
12
13
14
14
15
15
16
17
18
19
20
21
22
23
24
25
FIT
1:1
100%

Артикул

Название

Примечание

Количество

1

20Y-01-29231

BRACKET,L.H.

2

20Y-01-29241

BRACKET,R.H.

3

01010-81265

BOLT

4

01643-31232

WASHER

5

20Y-01-21260

BOSS

6

20Y-01-22120

BRACKET

7

01010-81265

BOLT

8

01643-31232

WASHER

9

20Y-01-21260

BOSS

10

04020-01228

PIN

11

20Y-01-12210

CUSHION

12

20Y-01-12141

STOPPER

13

20Y-01-11141

WASHER

14

20Y-01-22111

NUT

15

20Y-01-12221

CUSHION

16

20Y-01-12160

STOPPER

17

20Y-01-12180

WASHER

18

01011-81655

BOLT

|18

20Y-01-12280

BOLT

19

20Y-01-12250

SPACER

20

01643-31645

WASHER

21

20Y-01-12270

BOLT

22

01643-31645

WASHER

23

6209-11-5480

TUBE

24

07260-20950

HOSE

25

07285-00155

CLIP

Выбрано товаров: 26