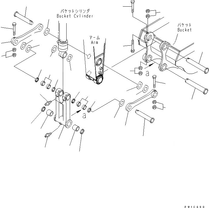
Запчасти Komatsu PC230LC-7-BA РУКОЯТЬ (СОЕДИНЕНИЕ КОВША) РАБОЧЕЕ ОБОРУДОВАНИЕ

Схема запчастей Komatsu PC230LC-7-BA - РУКОЯТЬ (СОЕДИНЕНИЕ КОВША) РАБОЧЕЕ ОБОРУДОВАНИЕ
1
2
2
3
3
4
4
5
5
5
5
5
5
6
6
7
8
9
10
10
11
12
13
14
15
15
15
15
16
17
18
19
20
21
22
FIT
1:1
100%

Артикул

Название

Примечание

Количество

1

206-70-73111

LINK

2

20Y-70-32351

BUSHING

3

206-70-71381

BUSHING

4

07020-00000

FITTING

5

20Y-70-23230

SEAL

6

206-70-57120

LINK

7

206-70-53141

PIN

|7

206-70-53140

PIN

8

205-70-73190

BOLT

9

01580-12016

NUT

10

20Y-70-31410

SPACER¤ 1.0MM

11

20Y-70-31420

SPACER¤ 2.0MM

12

206-70-53141

PIN

|12

206-70-53140

PIN

13

205-70-73190

BOLT

14

01580-12016

NUT

15

206-70-71540

SPACER¤ 1.0MM

16

206-70-71550

SPACER¤ 2.0MM

17

205-70-73270

PIN

18

205-70-73190

BOLT

19

01580-12016

NUT

20

205-70-73270

PIN

21

362-46-11210

BOLT

22

01580-12016

NUT

Выбрано товаров: 24