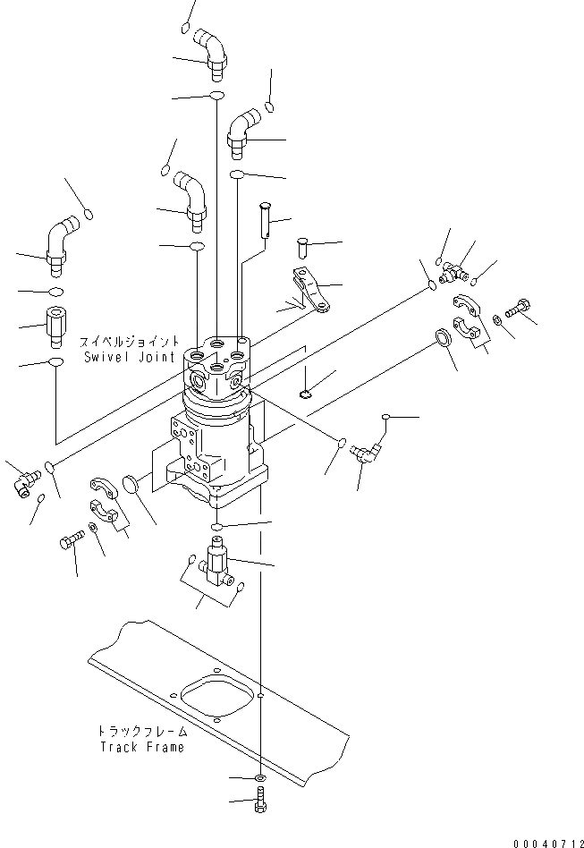
Запчасти Komatsu PC230NHD-8K ПОВОРОТНОЕ СОЕДИНЕНИЕ (СОЕДИНИТЕЛЬН. ЧАСТИ) N ПОВОРОТН. КРУГ И КОМПОНЕНТЫ

Схема запчастей Komatsu PC230NHD-8K - ПОВОРОТНОЕ СОЕДИНЕНИЕ (СОЕДИНИТЕЛЬН. ЧАСТИ) N ПОВОРОТН. КРУГ И КОМПОНЕНТЫ
23
7
8
23
23
23
7
11
12
9
10
11
12
8
25
27
28
24
6
22
5
22
14
15
13
16
21
26
4
3
2
17
16
13
19
20
1
14
15
18
30
29
FIT
1:1
100%

Артикул

Название

Примечание

Количество

1

02782-10522

ELBOW

2

07002-12434

O-RING

3

11Y-62-12160

ELBOW

4

07002-11423

O-RING

5

11Y-62-12250

TEE

6

07002-11423

O-RING

7

02782-10628

ELBOW

8

07002-12434

O-RING

9

201-62-71820

JOINT

10

07002-12434

O-RING

11

02782-10630

ELBOW

12

07002-12434

O-RING

13

07371-30640

FLANGE, SPLIT

14

07372-21035

BOLT

15

01643-51032

WASHER

16

707-88-33030

HEAD

17

20Y-62-41930

TEE

18

02896-11012

O-RING

19

07002-12434

O-RING

20

02896-11015

O-RING

21

02896-11008

O-RING

22

02896-11008

O-RING

23

02896-11018

O-RING

24

22U-62-21583

BRACKET

25

22U-62-21870

PIN

26

22U-62-24420

PIN

27

04205-11648

PIN

28

04050-14028

PIN, COTTER

29

01010-81255

BOLT

30

01643-31232

WASHER

Выбрано товаров: 0