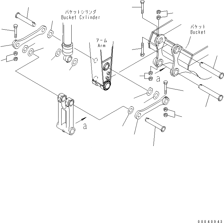
Запчасти Komatsu PC230NHD-8K РУКОЯТЬ (СОЕДИНЕНИЕ КОВША) (/) (№K-K9) T РАБОЧЕЕ ОБОРУДОВАНИЕ

Схема запчастей Komatsu PC230NHD-8K - РУКОЯТЬ (СОЕДИНЕНИЕ КОВША) (/) (№K-K9) T РАБОЧЕЕ ОБОРУДОВАНИЕ
9
1
8
2
6
11
10
11
11
13
17
16
14
11
5
6
1
7
4
12
3
15
FIT
1:1
100%

Артикул

Название

Примечание

Количество

1

205-70-73130

LINK

2

22U-70-21192

PIN

3

20Y-70-32450

BOLT

4

01580-12016

NUT

5

20Y-70-31460

SPACER, 2.0MM

6

20Y-70-31450

SPACER, 1.0MM

7

22U-70-21192

PIN

8

20Y-70-32450

BOLT

9

01580-12016

NUT

10

20Y-70-31480

SPACER, 2.0MM

11

20Y-70-31440

SPACER, 1.0MM

12

205-70-73270

PIN

13

205-70-73190

BOLT

14

01580-12016

NUT

15

205-70-73270

PIN

16

205-70-73190

BOLT

17

01580-12016

NUT

Выбрано товаров: 17