Запчасти Komatsu PC230NHD-8K ОСНОВН. КЛАПАН (-АКТУАТОР) (/) Y ОСНОВН. КОМПОНЕНТЫ И РЕМКОМПЛЕКТЫ

Схема запчастей Komatsu PC230NHD-8K - ОСНОВН. КЛАПАН (-АКТУАТОР) (/) Y ОСНОВН. КОМПОНЕНТЫ И РЕМКОМПЛЕКТЫ
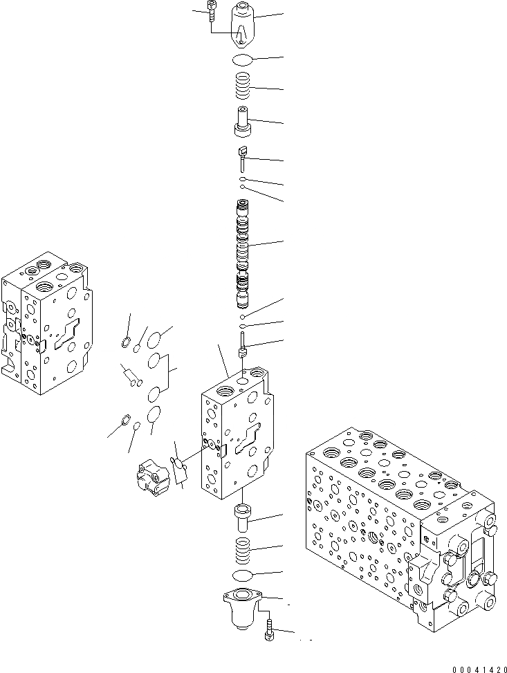
1
2
3
4
4
5
6
7
8
9
10
11
12
13
14
15
16
17
17
18
19
20
21
22
23
24
25
26
27
28
29
30
30
31
31
32
33
34
35
36
36
FIT
1:1
100%

Артикул

Название

Примечание

Количество

|1

723-48-23404

VALVE ASSEMBLY

|1

723-48-23402

VALVE ASSEMBLY

|1

723-48-23400

VALVE ASSEMBLY

|1

723-40-72100

VALVE ASSEMBLY

1

BODY

2

SPOOL

3

723-40-72800

PLATE ASSEMBLY

4

702-21-57400

PILOT VALVE

5

723-46-15111

CASE

6

07430-71380

O-RING

7

723-40-71330

RETAINER

8

723-40-71340

SPRING

9

723-40-71350

RETAINER

10

01252-60816

BOLT

11

723-40-71870

UNION

12

02896-11008

O-RING

13

07002-11423

O-RING

14

07040-11409

PLUG

15

07002-11423

O-RING

16

01252-60855

BOLT

17

01252-60635

BOLT

18

SPOOL ASSEMBLY

19

723-40-71850

SPRING

20

723-46-18720

O-RING

21

SPOOL

22

723-40-71390

SPRING

23

723-46-18720

O-RING

|24

723-40-71900

VALVE ASSEMBLY

24

723-40-91600

VALVE ASSEMBLY, RELIEF

25

702-16-53920

O-RING

26

07002-11623

O-RING

27

BLOCK

28

SPOOL

29

SPRING

30

702-21-55620

PLUG

31

07002-11423

O-RING

32

702-21-55710

SEAT

33

702-21-55720

SPRING

34

04260-00793

BALL

35

07000-11009

O-RING

36

PLUG

Выбрано товаров: 0