Запчасти Komatsu PC240-3K МОРОЗОУСТОЙЧИВ. СПЕЦ-Я (A) СПЕЦ-ЯIFICATIONS (/) ОПЦИОННЫЕ КОМПОНЕНТЫ

Схема запчастей Komatsu PC240-3K - МОРОЗОУСТОЙЧИВ. СПЕЦ-Я (A) СПЕЦ-ЯIFICATIONS (/) ОПЦИОННЫЕ КОМПОНЕНТЫ
FIT
1:1
100%

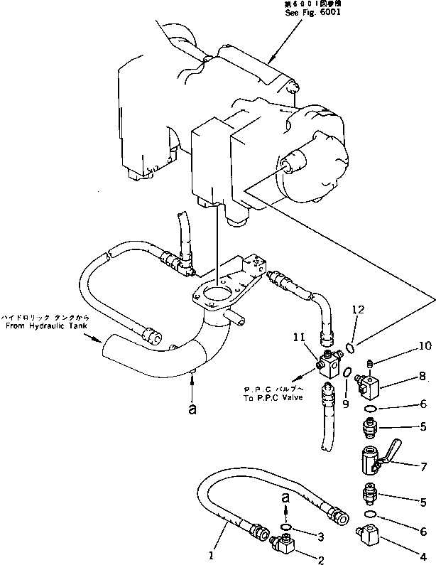
Артикул

Название

Примечание

Количество

1

07102-20508

HOSE

2

205-62-72250

ELBOW

3

07002-01823

O-RING

4

205-62-74450

ELBOW

5

205-62-69670

NIPPLE

6

07002-02434

O-RING

7

208-62-19140

VALVE

8

205-62-74440

ELBOW

9

07002-02434

O-RING

10

07042-30108

PLUG

11

205-62-74430

BLOCK

12

07002-02434

O-RING

Выбрано товаров: 12