Запчасти Komatsu PC240-3K ПАНЕЛЬ ПРИБОРОВ (REGULATION OF SWEDEN) ИНСТРУМЕНТ

Схема запчастей Komatsu PC240-3K - ПАНЕЛЬ ПРИБОРОВ (REGULATION OF SWEDEN) ИНСТРУМЕНТ
FIT
1:1
100%

Артикул

Название

Примечание

Количество

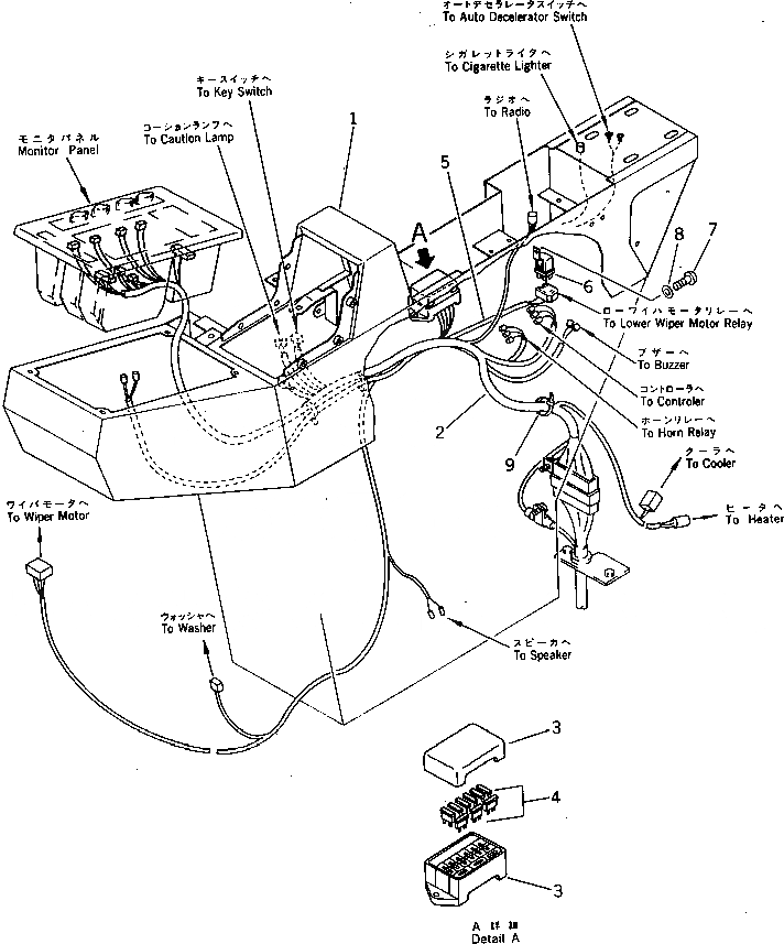
1

205-43-73292

BOX,R.H.

2

7831-77-2000

MONITOR PANEL ASS'Y

3

207-06-K1120

WIRING HARNESS

|3

207-06-32250

WIRING HARNESS

4

205-06-71480

BOX,FUSE

5

205-06-73180

FUSE¤ 15A

6

22W-06-13160

FUSE¤ 20A

7

207-06-32260

WIRING HARNESS

8

22W-06-13450

RELAY ASS'Y,WIPER MOTOR

9

01220-40612

SCREW

10

01643-30623

WASHER

11

08034-00519

BAND

Выбрано товаров: 12