Запчасти Komatsu PC240-3K MODIFIED ШАССИ ЧАСТИ (REGULATION OF SWEDEN) (PC) ИНСТРУМЕНТ

Схема запчастей Komatsu PC240-3K - MODIFIED ШАССИ ЧАСТИ (REGULATION OF SWEDEN) (PC) ИНСТРУМЕНТ
FIT
1:1
100%

Артикул

Название

Примечание

Количество

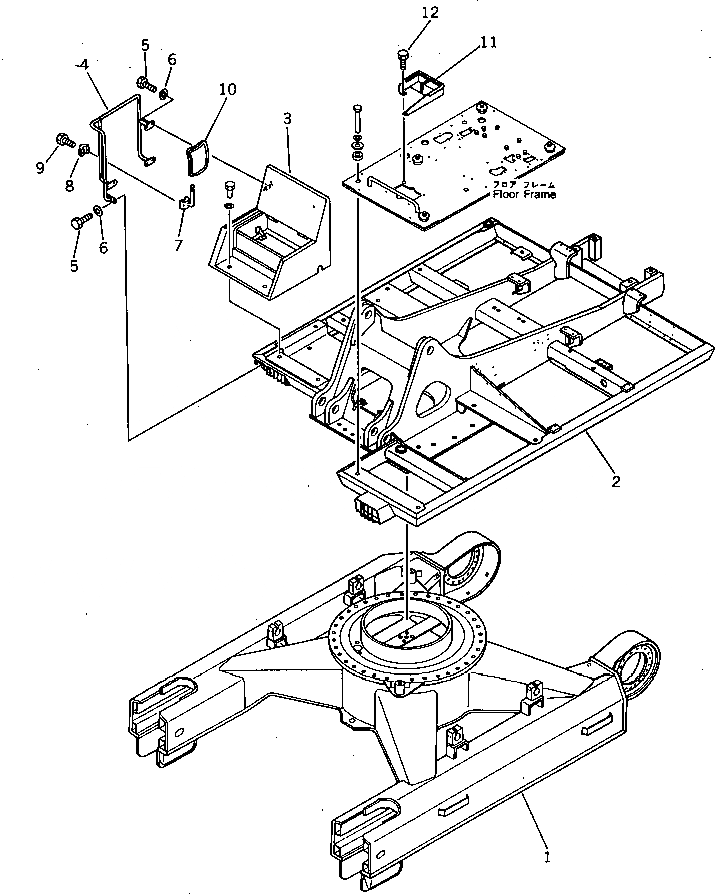
1

205-30-45520

FRAME,TRACK

2

206-46-44130

FRAME,REVOLVING

3

205-54-77271

COVER

4

205-54-77110

HAND RAIL

5

01010-51225

BOLT

6

01643-31232

WASHER

7

205-54-K1150

SUPPORT

|7

205-54-68480

SUPPORT

8

207-54-17840

CLAMP

9

01252-41025

BOLT

10

205-54-K1130

MIRROR

11

205-43-71630

COVER

12

01010-51240

BOLT

Выбрано товаров: 13