Запчасти Komatsu PC240-5K ОСНОВН. КОНСТРУКЦИЯ(№K-K) ЧАСТИ КОРПУСА

Схема запчастей Komatsu PC240-5K - ОСНОВН. КОНСТРУКЦИЯ(№K-K) ЧАСТИ КОРПУСА
FIT
1:1
100%

Артикул

Название

Примечание

Количество

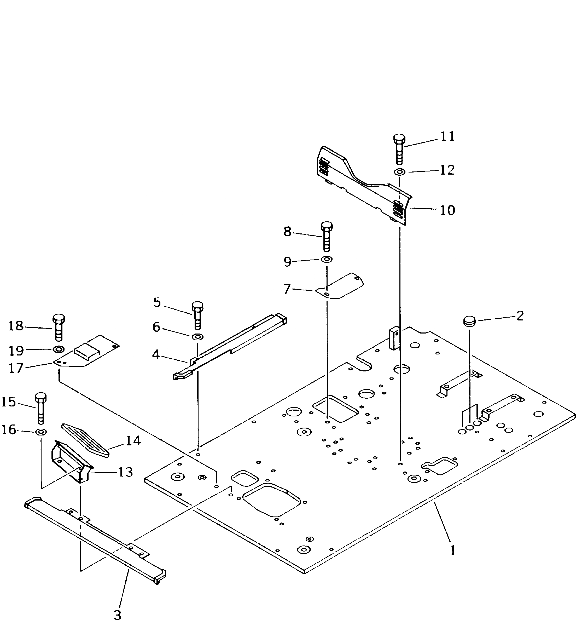
1

20Y-54-K3960

FRAME

2

20Y-977-1120

CAP,(WITHOUT COOLER)

3

20Y-970-2451

COVER

4

20Y-06-15510

COVER

5

01010-50816

BOLT

6

01643-30823

WASHER

7

20Y-54-16561

PLATE

8

01010-51025

BOLT

9

01643-31032

WASHER

10

20Y-43-16130

COVER

11

01010-51225

BOLT

12

01643-31232

WASHER

13

20Y-43-16421

REST,FOOT

14

20Y-43-16430

PAD

15

01010-51020

BOLT

16

01643-31032

WASHER

17

207-54-53380

COVER

18

01010-51020

BOLT

19

01643-31032

WASHER

Выбрано товаров: 0