Запчасти Komatsu PC240-6K ГИДРОЛИНИЯ СТРЕЛЫ (КЛАПАН СТРЕЛЫ) (С ПРЕДОТВРАЩ. СМЕЩЕНИЯ)(№K-) ГИДРАВЛИКА

Схема запчастей Komatsu PC240-6K - ГИДРОЛИНИЯ СТРЕЛЫ (КЛАПАН СТРЕЛЫ) (С ПРЕДОТВРАЩ. СМЕЩЕНИЯ)(№K-) ГИДРАВЛИКА
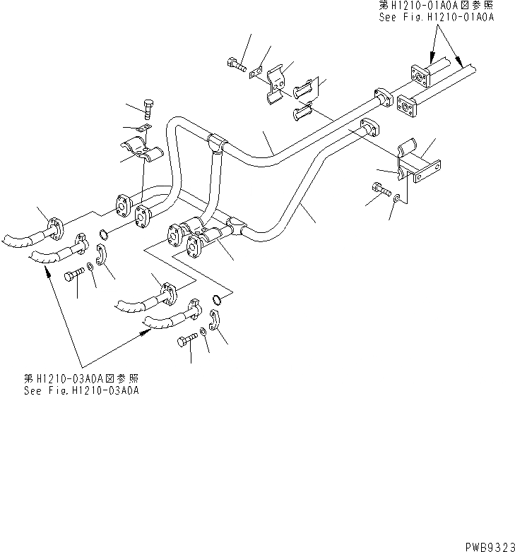
1
2
2
3
4
5
6
6
7
8
9
10
11
12
13
13
13
14
15
15
16
16
FIT
1:1
100%

Артикул

Название

Примечание

Количество

1

20Y-62-K2620

TUBE

2

07371-30640

FLANGE

3

07372-21035

BOLT

4

01643-51032

WASHER

5

20Y-62-K2650

TUBE

6

07371-30640

FLANGE

7

07372-21035

BOLT

8

01643-51032

WASHER

9

206-62-K2130

CLAMP

10

20Y-62-13760

SEAT

11

01010-81235

BOLT

12

01643-31232

WASHER

13

20Y-62-13230

CLAMP

14

20Y-62-13760

SEAT

15

01010-81235

BOLT

16

20Y-62-13450

PLATE

Выбрано товаров: 16