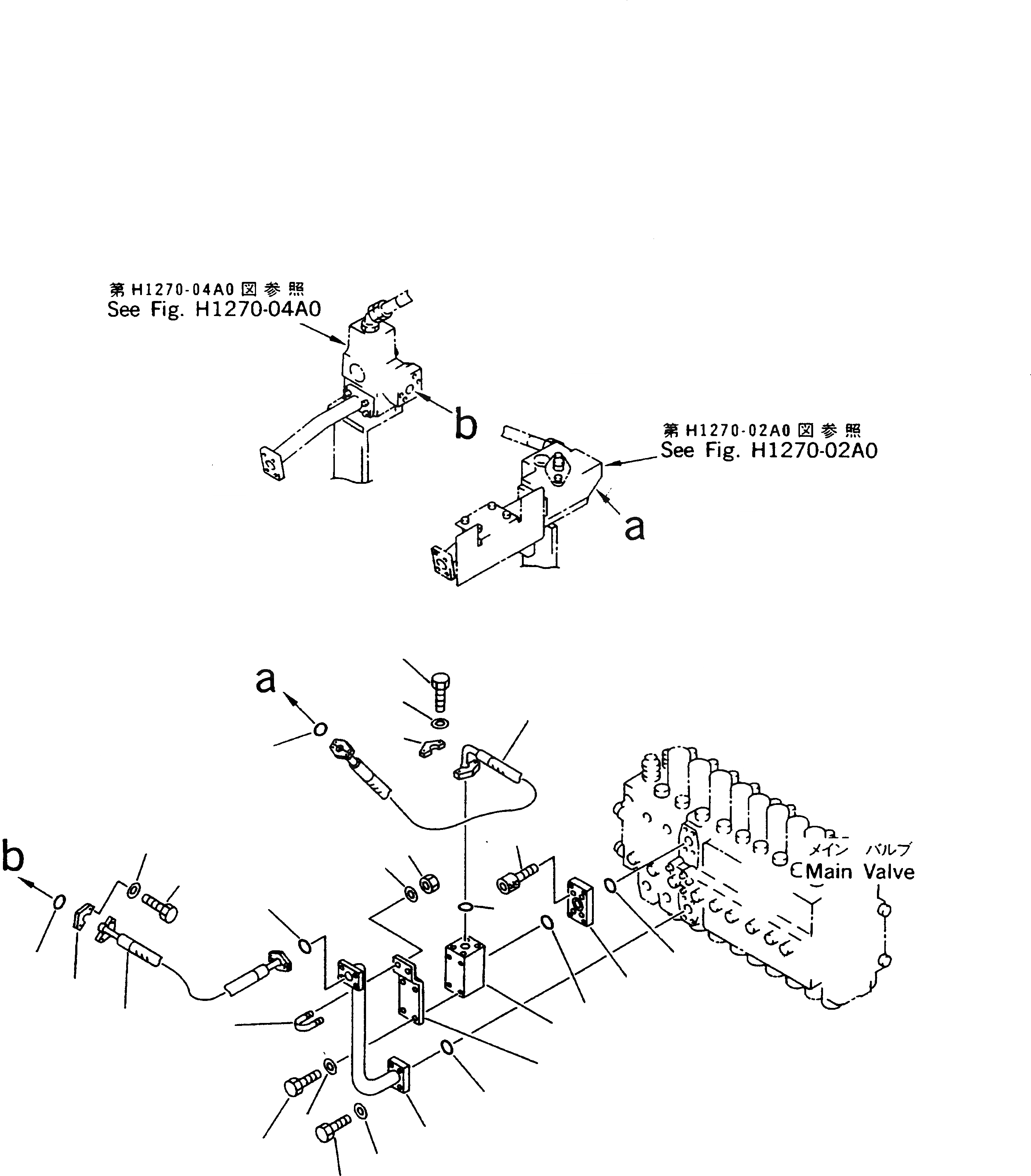
Запчасти Komatsu PC240-6K НАВЕСНОЕ ОБОРУД-Е ( АКТУАТОР) (КОРПУС)(№K-K999) ГИДРАВЛИКА

Схема запчастей Komatsu PC240-6K - НАВЕСНОЕ ОБОРУД-Е ( АКТУАТОР) (КОРПУС)(№K-K999) ГИДРАВЛИКА
10
12
13
11
9
2
19
20
25
24
22
22
23
21
18
7
8
16
17
14
15
6
5
4
1
3
10
FIT
1:1
100%

Артикул

Название

Примечание

Количество

1

20Y-62-25120

PLATE

2

01252-41025

BOLT

3

21T-09-11470

O-RING

4

21T-09-11450

O-RING

5

20Y-62-25110

BLOCK

6

20Y-62-25241

BRACKET

7

01010-51095

BOLT

8

01643-31032

WASHER

9

07098-01009

HOSE

10

07000-13032

O-RING

11

07371-31049

FLANGE

12

07372-21035

BOLT

13

01643-51032

WASHER

14

20Y-62-K3210

TUBE

15

21T-09-11460

O-RING

16

07372-21040

BOLT

17

01643-51032

WASHER

18

07283-22738

CLIP

19

01599-01011

NUT

20

01643-31032

WASHER

21

20Y-62-K3190

HOSE

22

07000-13032

O-RING

23

07371-31049

FLANGE

24

07372-21035

BOLT

25

01643-51032

WASHER

Выбрано товаров: 0