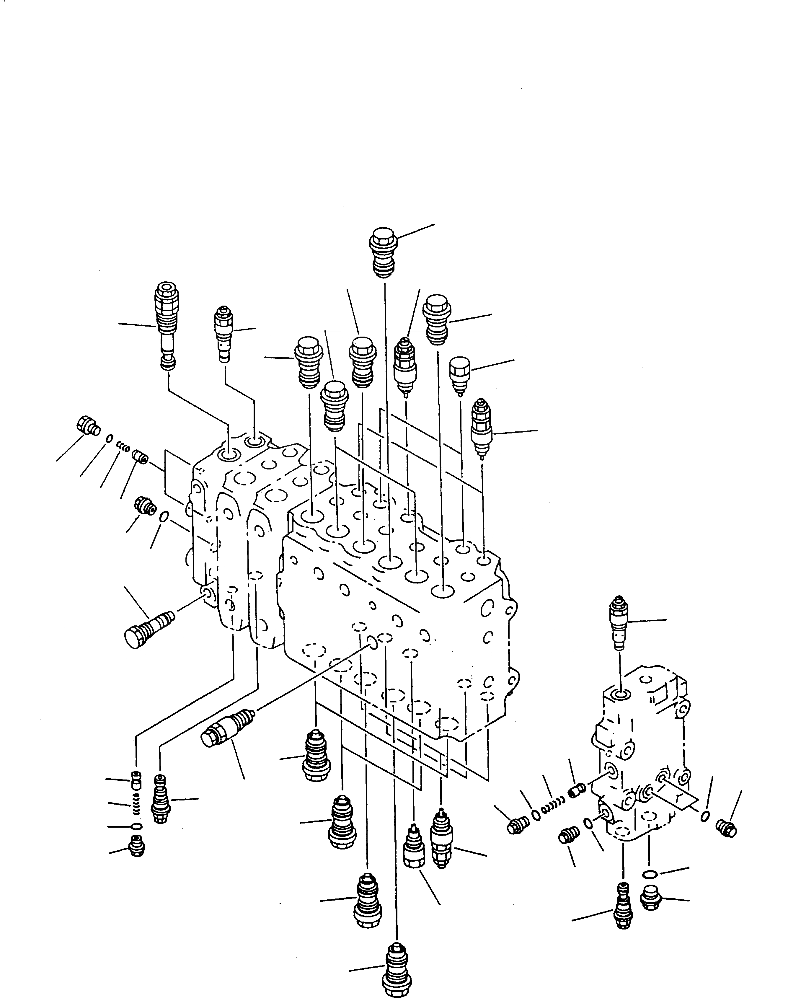
Запчасти Komatsu PC240-6K ОСНОВН. КЛАПАН (-АКТУАТОР) (/)(№K-K999) ГИДРАВЛИКА

Схема запчастей Komatsu PC240-6K - ОСНОВН. КЛАПАН (-АКТУАТОР) (/)(№K-K999) ГИДРАВЛИКА
13
22
14
23
21
11
12
18
15
17
7
8
6
5
3
4
16
18
14
12
20
19
1
2
4
3
4
2
1
4
3
10
9
4
3
19
21
23
15
13
3
FIT
1:1
100%

Артикул

Название

Примечание

Количество

|1

723-48-10701

CONTROL VALVE

|1

723-48-10700

CONTROL VALVE

1

723-46-15150

VALVE

2

723-46-14150

SPRING

3

723-46-15180

PLUG

4

07002-11823

O-RING

5

723-46-15190

VALVE

6

723-46-14140

SPRING

7

708-8E-16160

PLUG

8

07002-11023

O-RING

9

709-74-91860

PLUG

10

07002-12434

O-RING

11

723-46-40100

VALVE ASS'Y

12

723-46-40300

VALVE ASS'Y

13

723-46-41100

VALVE ASS'Y

14

723-46-45100

VALVE ASS'Y

15

723-46-46101

VALVE ASS'Y

16

723-46-15100

PLUG ASS'Y

17

723-40-50100

VALVE ASS'Y

18

723-40-50201

VALVE ASS'Y

19

723-40-56100

VALVE ASS'Y

20

723-40-60100

VALVE ASS'Y

21

709-70-74302

VALVE ASS'Y,SUCTION AND SAFETY

22

709-70-74203

VALVE ASS'Y,SUCTION AND SAFETY

23

723-40-85100

VALVE ASS'Y,SUCTION

Выбрано товаров: 25