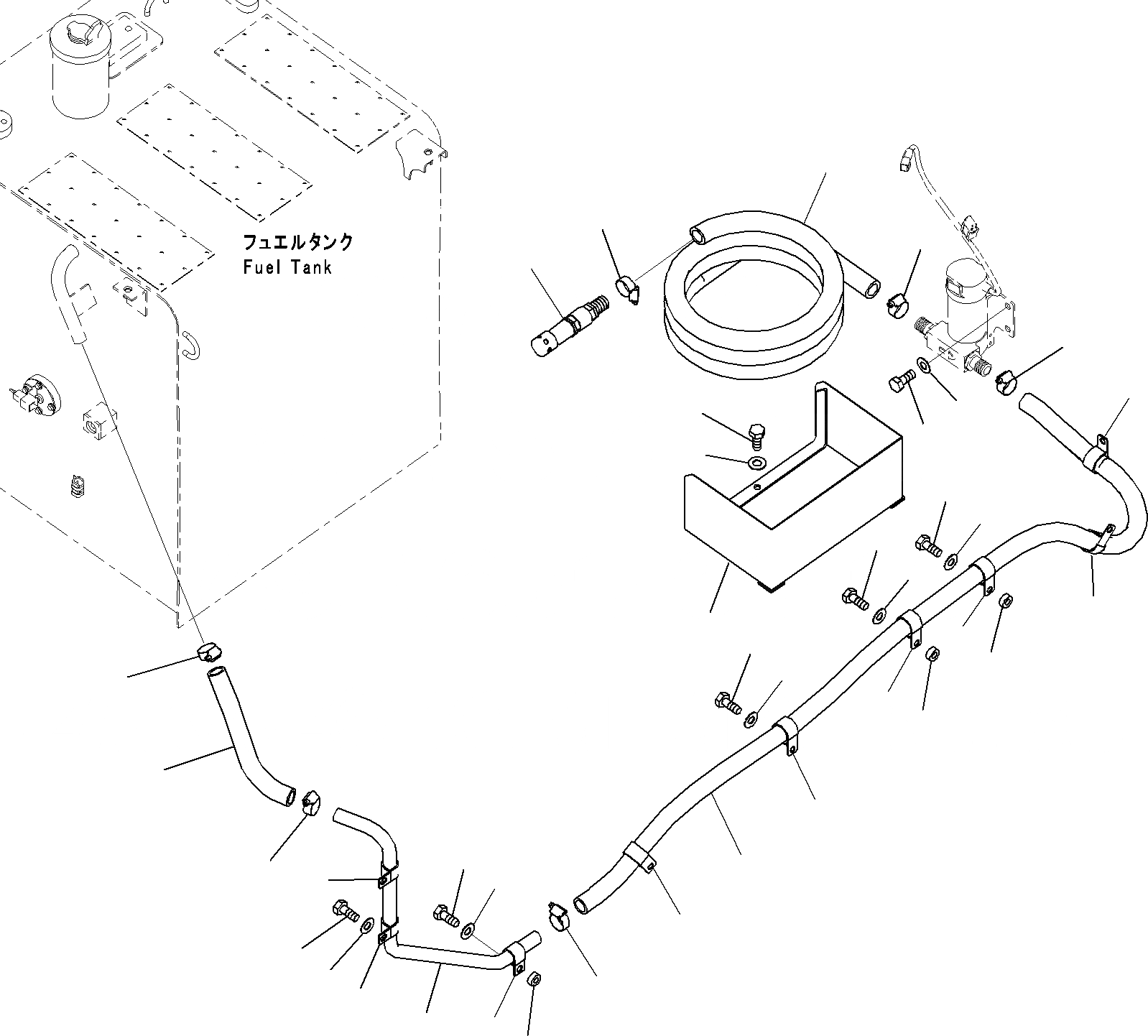
Запчасти Komatsu PC240-8K ТОПЛИВН. REFILL НАСОС (/)(№-) ТОПЛИВН. СИСТЕМА

Схема запчастей Komatsu PC240-8K - ТОПЛИВН. REFILL НАСОС (/)(№-) ТОПЛИВН. СИСТЕМА
6
5
2
4
7
7
16
16
1
8
9
9
11
10
13
12
14
17
17
17
17
17
17
18
19
21
22
22
21
20
20
23
23
24
3
26
25
15
FIT
1:1
100%

Артикул

Название

Примечание

Количество

1

20Y-04-K2450

Valve Assembly

2

20Y-04-K2351

Hose

3

206-04-K1121

Hose

4

206-04-K1131

Hose

5

01010-81225

Bolt

6

01643-31232

Washer

7

07289-00035

Clamp, Hose

8

206-04-71130NK

Tube

9

04434-52512

Clip

10

01010-81225

Bolt

11

01643-31232

Washer

12

04434-52512

Clip

13

198-43-15310

Collar

14

01010-81235

Bolt

15

01643-31232

Washer

16

07289-00035

Clamp, Hose

17

581-04-22290

Clip

18

01010-81225

Bolt

19

01643-31232

Washer

20

198-43-15310

Collar

21

01010-81235

Bolt

22

01643-31232

Washer

23

07289-00035

Clamp, Hose

24

20Y-04-38170NK

Bracket

25

01010-81020

Bolt

26

01643-31032

Washer

Выбрано товаров: 0