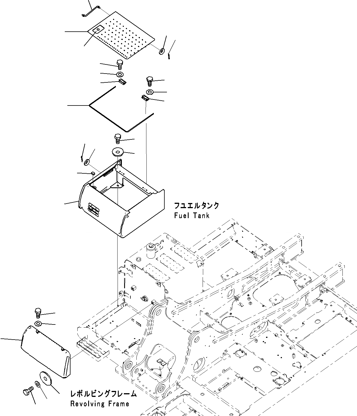
Запчасти Komatsu PC240-8K АККУМУЛЯТОРН. ОТСЕК, ДЛЯ MACHINE С ТОПЛИВН. REFILL НАСОС(№-) ЧАСТИ КОРПУСАS И КРЫШКИ

Схема запчастей Komatsu PC240-8K - АККУМУЛЯТОРН. ОТСЕК, ДЛЯ MACHINE С ТОПЛИВН. REFILL НАСОС(№-) ЧАСТИ КОРПУСАS И КРЫШКИ
2
3
5
4
4
7
6
9
8
12
13
13
14
14
11
10
18
19
1
17
15
15
16
16
FIT
1:1
100%

Артикул

Название

Примечание

Количество

1

20Y-54-73960

Cover

|1

20Y-54-74102

Case Assembly

2

20Y-54-74121

Cover

3

20Y-54-74132

Cover

4

20Y-54-74161

Hinge

5

421-54-11372

Lock

6

01010-81020

Bolt

7

01643-31032

Washer

8

01010-81020

Bolt

9

01643-31032

Washer

10

20Y-54-29680

Sheet

11

20Y-54-29660

Seal

12

203-54-56630

Rod

13

01643-30623

Washer

14

04050-11612

Pin, Cotter

15

01010-81230

Bolt

16

01643-31232

Washer

17

20Y-54-19930

Collar

18

175-54-34170

Washer

19

01010-81230

Bolt

Выбрано товаров: 20