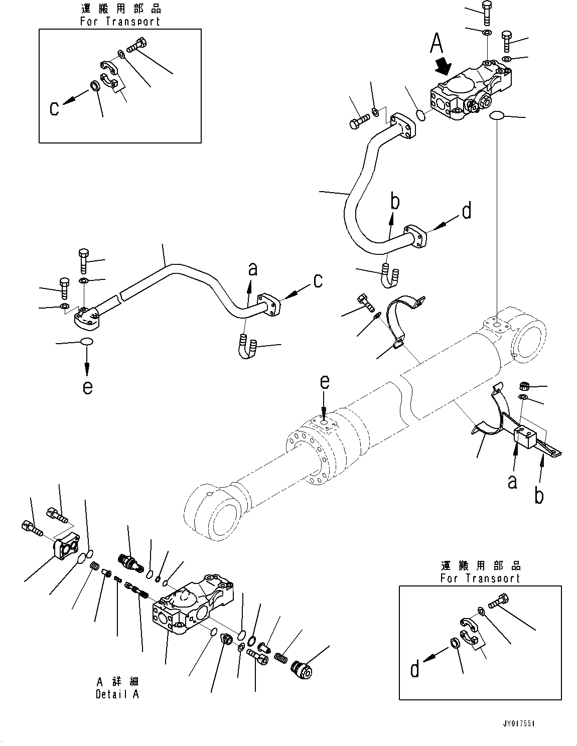
Запчасти Komatsu PC240LC-10 ЦИЛИНДР СТРЕЛЫ, С ANTI-DROP КЛАПАН, ЦИЛИНДР СТРЕЛЫ, RHS (/) ЦИЛИНДР СТРЕЛЫ, С ANTI-DROP КЛАПАН

Схема запчастей Komatsu PC240LC-10 - ЦИЛИНДР СТРЕЛЫ, С ANTI-DROP КЛАПАН, ЦИЛИНДР СТРЕЛЫ, RHS (/) ЦИЛИНДР СТРЕЛЫ, С ANTI-DROP КЛАПАН
43
42
37
36
33
31
34
46
27
28
33
33
34
40
41
34
39
38
1
2
3
4
5
6
7
8
9
10
11
12
13
14
15
16
17
18
19
20
21
22
23
24
25
26
27
28
29
30
32
35
46
47
44
45
FIT
1:1
100%

Артикул

Название

Примечание

Количество

|$1

707-E1-00200

Cylinder Assembly

1

707-86-69030

Tube

2

206-62-32670

Tube

|$4

702-21-08390

Valve, Pilot

3

Valve Body

4

Spool

5

702-21-38510

Case

6

Retainer, D=2.0mm

6

Retainer, D=1.7mm

6

Retainer, D=2.3mm

6

Retainer, D=1.8mm

6

Retainer, D=1.9mm

6

Retainer, D=2.1mm

6

Retainer, D=2.2mm

7

702-21-38430

Flange

8

702-21-38440

Spring

9

Spring

10

702-21-38460

O-Ring

11

702-21-38470

O-Ring

12

702-21-38480

Plug

13

01252-60825

Bolt

14

01252-60835

Bolt

15

01252-60620

Bolt

16

01641-20608

Washer

17

07000-12021

O-Ring

18

702-21-39690

Valve

19

709-75-92220

Spring

20

700-93-11320

O-Ring

21

700-93-11330

Ring, Back-Up

22

723-90-66900

Valve Assembly, Relief

23

700-80-64220

Ring, Back-Up

24

700-22-11410

O-Ring

25

709-25-11390

O-Ring

26

707-88-51180

Bracket

27

07372-21060

Bolt

28

01643-51032

Washer

29

07372-21045

Bolt

30

01643-51032

Washer

31

707-88-21261

Band

32

07000-13030

O-Ring, (Kit : K07)

33

07372-21035

Bolt

34

01643-51032

Washer

35

07283-32738

Clip, Pipe

36

01597-01009

Nut

37

01643-31032

Washer

38

07371-30640

Flange, Split

39

707-88-33030

Cap

40

07371-31049

Flange, Split

41

707-88-33040

Cap

42

07372-21050

Bolt

43

01643-51032

Washer

44

07372-21040

Bolt

45

01643-51032

Washer

46

07000-13035

O-Ring, (Kit : K07)

47

07283-33442

Clip, Pipe

K07

707-99-50400

Seal Kit, Hydraulic Cylinder

Выбрано товаров: 56