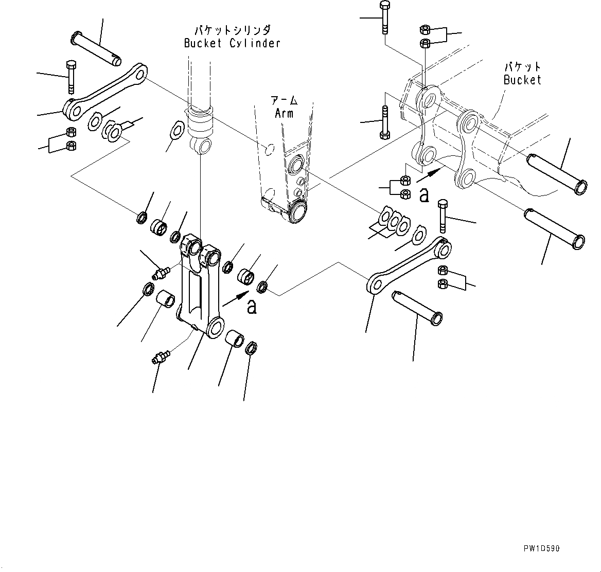
Запчасти Komatsu PC240LC-10 СОЕДИНЕНИЕ КОВША, РУКОЯТЬ СОЕДИНЕНИЕ КОВША, РУКОЯТЬ

Схема запчастей Komatsu PC240LC-10 - СОЕДИНЕНИЕ КОВША, РУКОЯТЬ СОЕДИНЕНИЕ КОВША, РУКОЯТЬ
7
18
22
20
17
16
16
15
13
6
14
5
3
5
5
3
5
11
10
6
12
9
8
19
21
4
5
2
4
1
2
5
FIT
1:1
100%

Артикул

Название

Примечание

Количество

|$1

206-70-K4171

Link Assembly

1

Link

2

21K-70-12161

Bushing

3

206-70-53150

Bushing

4

07020-00000

Fitting, Grease

5

20Y-70-23230

Seal, Dust

6

206-70-57120

Link

7

206-70-53143

Pin

8

20Y-70-32450

Bolt

9

01580-12016

Nut

10

206-70-31420

Spacer, T=1.0mm

11

206-70-31430

Spacer, T=2.0mm

12

206-70-53143

Pin

13

20Y-70-32450

Bolt

14

01580-12016

Nut

15

206-70-31390

Spacer, T=1.0mm

16

206-70-31410

Spacer, T=2.0mm

17

205-70-73270

Pin

18

205-70-73190

Bolt

19

01580-12016

Nut

20

205-70-73270

Pin

21

20Y-70-32460

Bolt

22

01580-12016

Nut

Выбрано товаров: 23