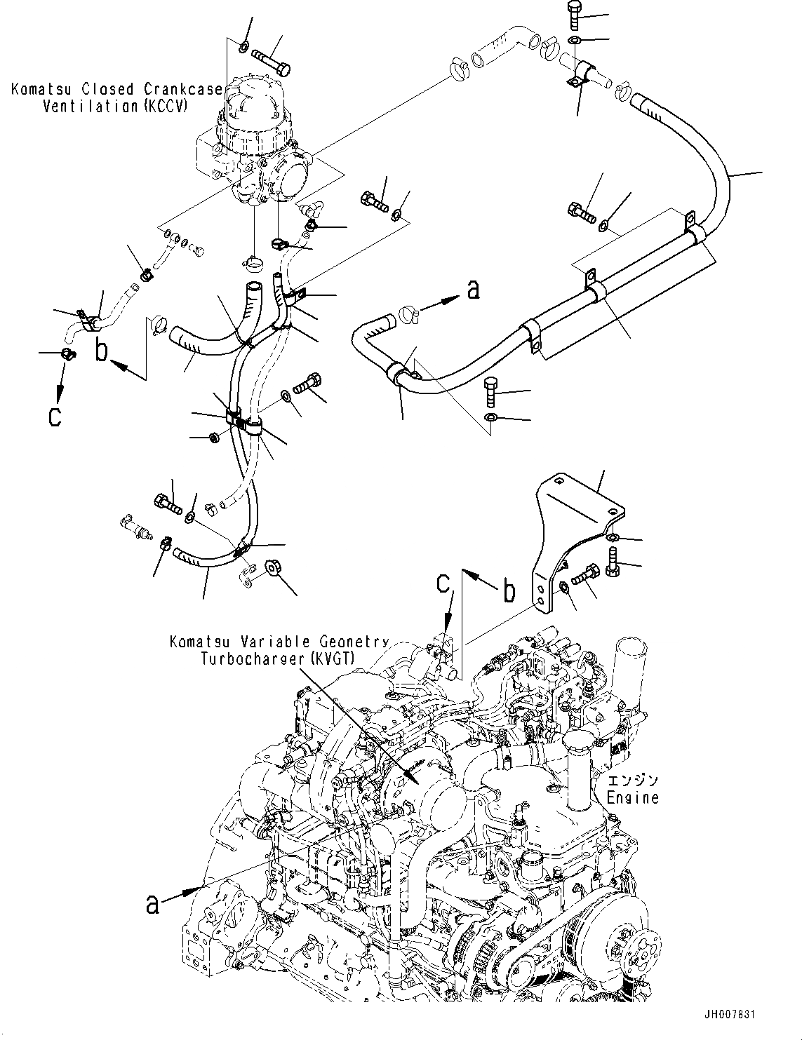
Запчасти Komatsu PC240LC-10 ВПУСК ВОЗДУХА СОЕДИН-Е, ФИЛЬТР. (№98-9) ВПУСК ВОЗДУХА СОЕДИН-Е

Схема запчастей Komatsu PC240LC-10 - ВПУСК ВОЗДУХА СОЕДИН-Е, ФИЛЬТР. (№98-9) ВПУСК ВОЗДУХА СОЕДИН-Е
24
25
30
31
28
29
26
27
5
4
2
37
3
15
17
16
1
22
18
21
19
14
13
9
7
10
6
23
34
35
36
38
39
32
33
23
12
13
8
11
20
32
34
35
FIT
1:1
100%

Артикул

Название

Примечание

Количество

1

01010-81070

Bolt

2

01643-31032

Washer

3

04434-52512

Clip

4

01010-81230

Bolt

5

01643-31232

Washer

6

2A5-01-11814

Hose

7

01010-81230

Bolt

8

01643-31232

Washer

9

206-54-31451

Bracket

10

01010-81230

Bolt

11

01643-31232

Washer

12

2A5-01-11831

Hose

12

2A5-01-11830

Hose

13

07281-00197

Clamp

14

04434-51608

Clip

15

01010-80825

Bolt

16

01643-30823

Washer

17

01584-00806

Nut

18

04434-52310

Clip

19

2A5-01-11580

Cushion

20

01010-80825

Bolt

21

01643-30823

Washer

22

22N-957-1420

Collar

23

134-03-61410

Band

23

134-03-61410

Band

24

2A5-01-11821

Hose

25

2A5-01-11210

Clip

26

01010-81230

Bolt

27

01643-31232

Washer

28

07095-40627

Cushion

29

04434-53412

Clip

30

01010-81230

Bolt

31

01643-31232

Washer

32

07281-00197

Clamp

33

07281-00197

Clamp

34

04434-52312

Clip

35

2A5-01-11580

Cushion

36

01010-81230

Bolt

37

01643-31232

Washer

38

04434-52310

Clip

39

2A5-01-11580

Cushion

Выбрано товаров: 41