Запчасти Komatsu PC240LC-10 КАБИНА И ОСНОВН. КОНСТРУКЦИЯ ГРУППА, КАБИНА IN ЧАСТИ, ЗАДН. КРЫШКА (№9-) КАБИНА И ОСНОВН. КОНСТРУКЦИЯ ГРУППА, С ВОЗД. ПОДВЕСКА СИДЕНЬЕ ОПЕРАТОРА, ПРАВ. И ЗАДН. ФИКС. ОКНА, -ДОПОЛН. АКТУАТОР ТРУБЫ, ACCUMU

Схема запчастей Komatsu PC240LC-10 - КАБИНА И ОСНОВН. КОНСТРУКЦИЯ ГРУППА, КАБИНА IN ЧАСТИ, ЗАДН. КРЫШКА (№9-) КАБИНА И ОСНОВН. КОНСТРУКЦИЯ ГРУППА, С ВОЗД. ПОДВЕСКА СИДЕНЬЕ ОПЕРАТОРА, ПРАВ. И ЗАДН. ФИКС. ОКНА, -ДОПОЛН. АКТУАТОР ТРУБЫ, ACCUMU
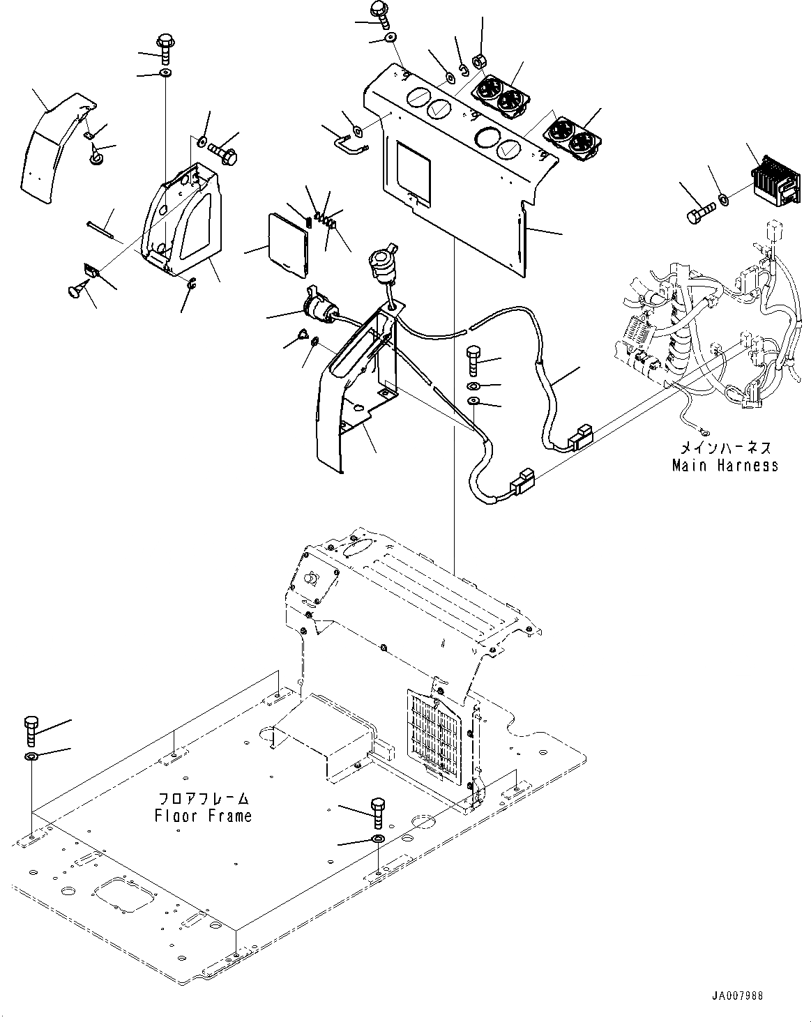
15
2
4
14
13
3
5
4
1
15
35
27
26
31
29
30
35
28
32
37
34
33
36
37
36
9
16
23
17
22
18
21
20
25
24
25
24
19
7
10
6
11
12
8
FIT
1:1
100%

Артикул

Название

Примечание

Количество

1

20Y-53-12371

Cover

2

208-53-12290

Hook

3

01580-10403

Nut

4

01640-20408

Washer

5

01601-20410

Washer

5

2A5-53-11731

Cover Assembly

6

22U-43-22340

Puller

7

2A5-53-11651

Cover

8

08041-00500

Fuse, 5Amp.

9

08041-01000

Fuse, 10Amp.

10

08041-02000

Fuse, 20Amp.

11

08041-02500

Fuse, 25Amp.

12

08041-03000

Fuse, 30Amp.

13

01435-80616

Bolt

14

20Y-53-12310

Collar

15

208-979-7560

Grille

16

2A5-53-11680

Cover

17

09452-14503

Catcher

18

01370-10308

Screw

19

2A5-53-11690

Cover

20

208-53-12410

Plate

21

01370-20308

Screw

22

208-53-12320

Pin

23

208-53-12330

Ring

24

01435-80616

Bolt

25

20Y-53-12310

Collar

26

2A5-53-12341

Cover

27

01010-D0620

Bolt

28

01643-70623

Washer

29

20Y-53-12310

Collar

30

23D-950-4450

Button

31

20Y-53-12860

Spacer

32

2A5-06-11881

Converter

33

01252-80520

Bolt, Hexagon Socket Head

34

01640-50508

Washer

35

2A5-06-12181

Socket Assembly

36

01010-81240

Bolt

37

01643-31232

Washer

Выбрано товаров: 38