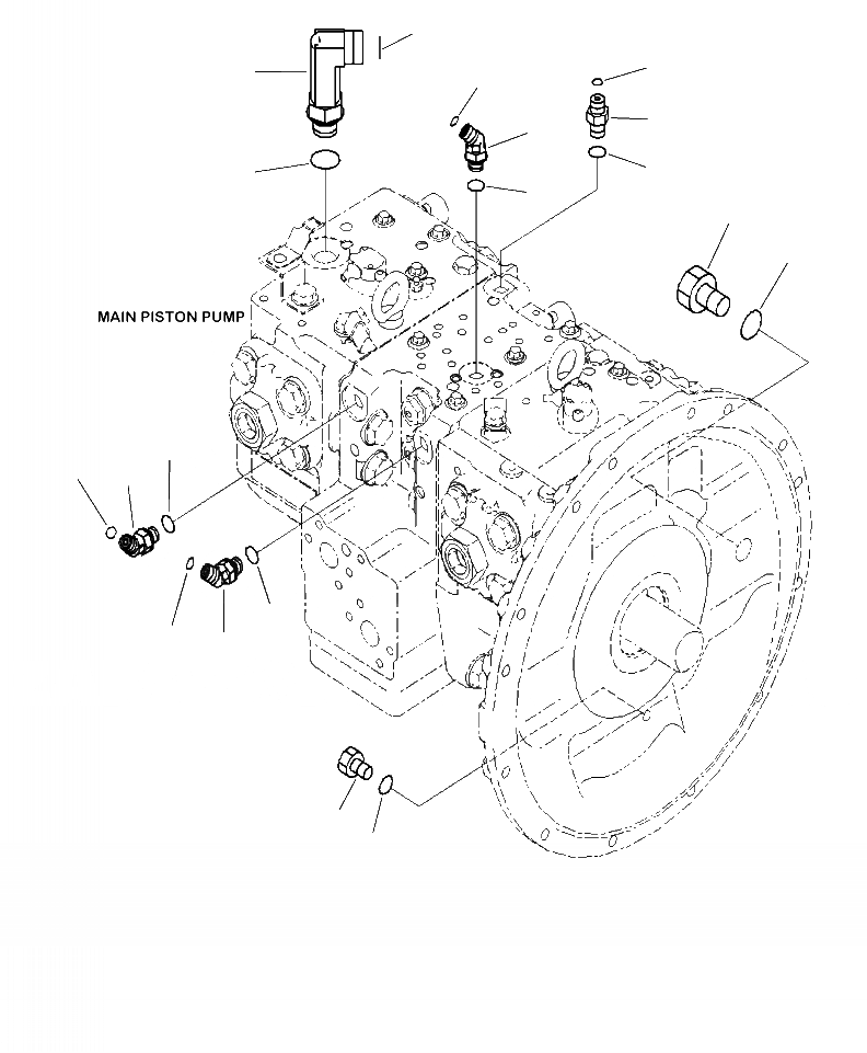
Запчасти Komatsu PC240LC-10 H- ОСНОВН. ПОРШЕНЬ НАСОС СОЕДИН-ЕS ГИДРАВЛИКА

Схема запчастей Komatsu PC240LC-10 - H- ОСНОВН. ПОРШЕНЬ НАСОС СОЕДИН-ЕS ГИДРАВЛИКА
15
6
14
10
5
8
7
16
9
1
2
13
12
11
13
12
11
3
4
FIT
1:1
100%

Артикул

Название

Примечание

Количество

1

07040-12412

PLUG

2

07002-12434

O-RING

3

07040-11209

PLUG

4

07002-11223

O-RING

5

11Y-62-12130

NIPPLE

6

02896-11008

O-RING

7

07002-11423

O-RING

8

02783-10210

ELBOW

9

07002-11423

O-RING

10

02896-11008

O-RING

11

02783-10210

ELBOW

12

02896-11008

O-RING

13

07002-11423

O-RING

14

02782-10630

ELBOW

15

02896-11018

O-RING

16

07002-12434

O-RING

Выбрано товаров: 16