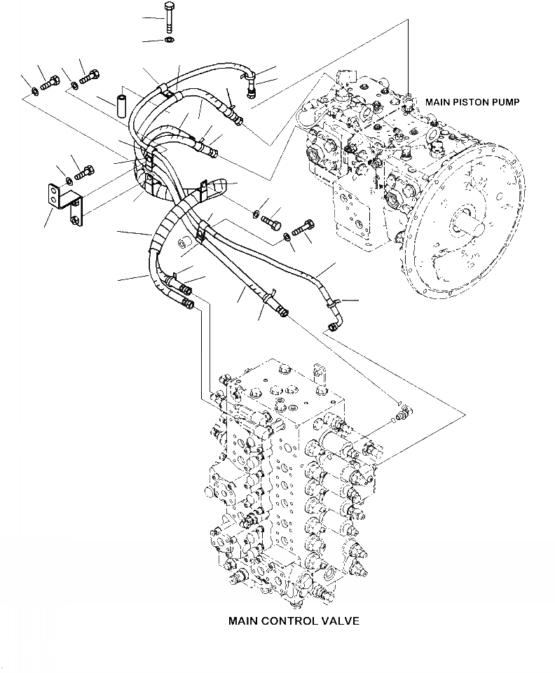
Запчасти Komatsu PC240LC-10 H8- ГИДРОЛИНИЯ LS ЛИНИИ ГИДРАВЛИКА

Схема запчастей Komatsu PC240LC-10 - H8- ГИДРОЛИНИЯ LS ЛИНИИ ГИДРАВЛИКА
29
30
27
22
26
20
8
23
7
6
28
3
2
5
4
24
25
9
19
18
17
7
2
4
3
6
5
6
21
1
16
13
12
11
10
14
15
FIT
1:1
100%

Артикул

Название

Примечание

Количество

1

2A5-62-11912

HOSE ASSEMBLY

2

20Y-62-22790

BAND, RED

3

20Y-62-53670

HOSE

4

2A5-62-13422

HOSE

5

2A5-62-13412

HOSE

6

20Y-62-22820

BAND, BLUE

7

2A5-62-13772

HOSE ASSEMBLY

8

20Y-62-22810

BAND, YELLOW

9

04435-51712

CLIP

10

01010-81225

BOLT

11

01643-31232

WASHER

12

04434-51212

CLIP

13

04434-51512

CLIP

14

01010-81225

BOLT

15

01643-31232

WASHER

16

2A5-62-11931

BRACKET

17

04434-51512

CLIP

18

04434-51212

CLIP

19

01010-81225

BOLT

20

01643-31232

WASHER

21

142-06-13540

CLIP

22

01010-81225

BOLT

23

01643-31232

WASHER

24

01010-81225

BOLT

25

01643-31232

WASHER

26

04434-51212

CLIP

27

04434-51512

CLIP

28

175-61-17240

COLLAR

29

01010-81285

BOLT

30

01643-31232

WASHER

Выбрано товаров: 30