Запчасти Komatsu PC240LC-10 A- KOMATSU DIESEL ЧАСТЬICULATE ФИЛЬТР. (KDPF) (/) ДВИГАТЕЛЬ

Схема запчастей Komatsu PC240LC-10 - A- KOMATSU DIESEL ЧАСТЬICULATE ФИЛЬТР. (KDPF) (/) ДВИГАТЕЛЬ
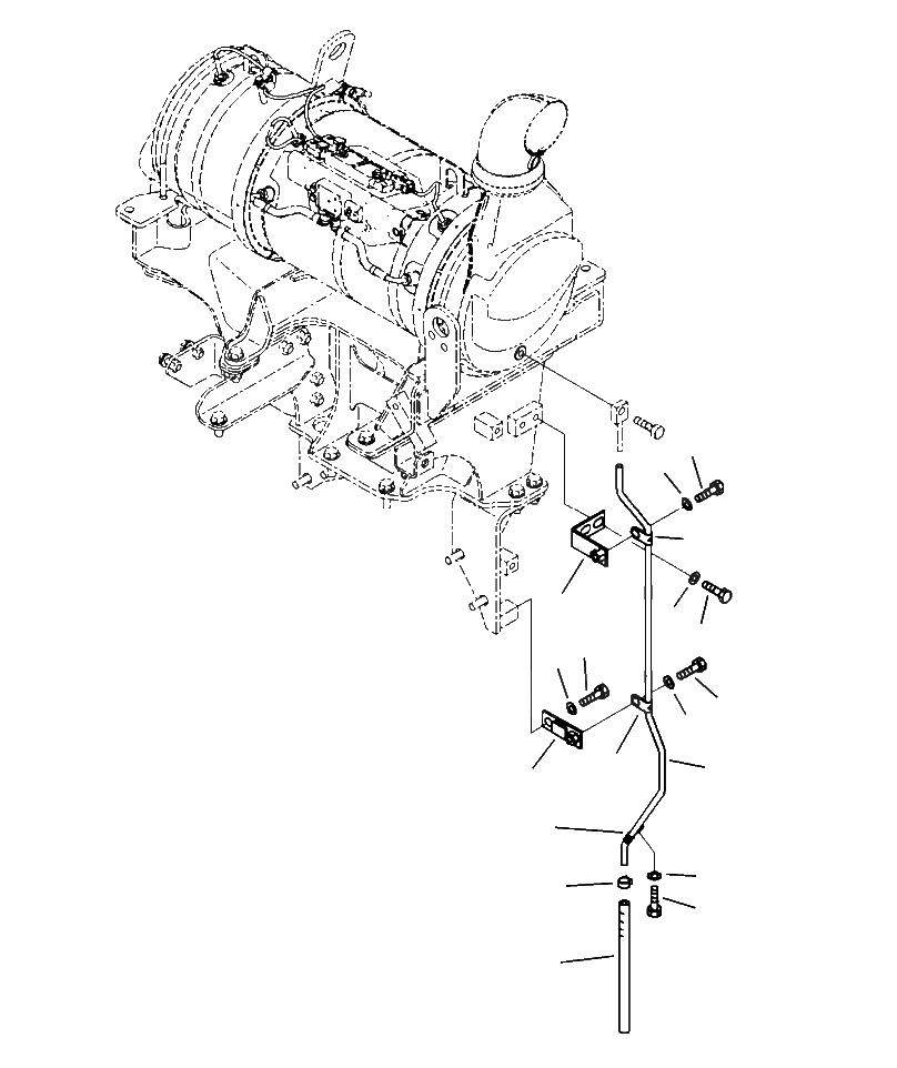
1
2
3
4
5
6
7
8
9
10
10
10
11
12
11
12
11
12
FIT
1:1
100%

Артикул

Название

Примечание

Количество

1

2A5-01-11432

TUBE

2

2A5-01-11551

HOSE

3

07285-00150

CLIP, HOSE

4

2A5-01-11450

BRACKET

5

01010-81225

BOLT

6

01643-31232

WASHER

7

2A5-01-11441

PLATE

8

01010-81225

BOLT

9

01643-31232

WASHER

10

2A5-01-11750

CLIP

11

01010-81225

BOLT

12

01643-31232

WASHER

Выбрано товаров: 12