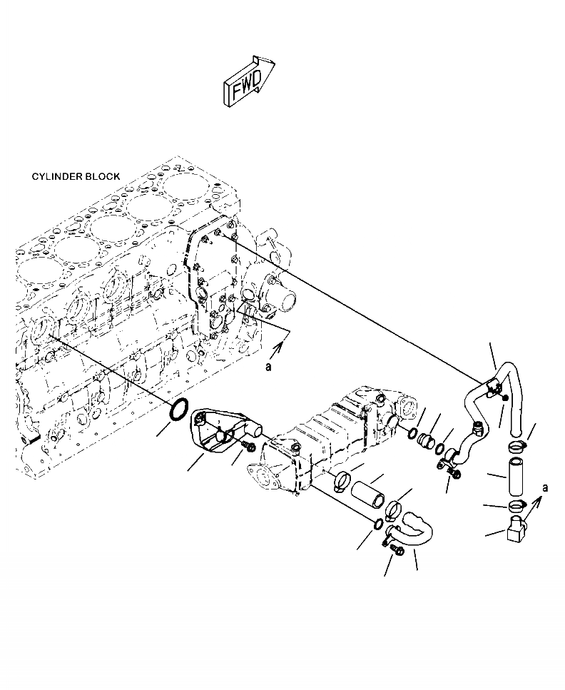
Запчасти Komatsu PC240LC-10 AER- ВЫПУСКН. GAS RECIRCULATION (EGR) ОХЛАДИТЕЛЬ ВОДН. ГИДРОЛИНИЯ ДВИГАТЕЛЬ

Схема запчастей Komatsu PC240LC-10 - AER- ВЫПУСКН. GAS RECIRCULATION (EGR) ОХЛАДИТЕЛЬ ВОДН. ГИДРОЛИНИЯ ДВИГАТЕЛЬ
12
10
9
15
10
13
2
5
4
3
14
1
5
8
15
11
7
6
8
FIT
1:1
100%

Артикул

Название

Примечание

Количество

|$0

6755-61-6110

CONNECTION

1

6755-61-6120

CONNECTION

2

6755-61-6130

O-RING

3

01435-00825

BOLT

4

6755-61-6340

HOSE

5

6755-61-6350

CLAMP

|$6

6746-61-7140

TUBE

6

6746-61-7130

TUBE

7

6735-21-5680

O-RING

8

01435-60612

BOLT

8

6733-71-5680

BOLT

|$11

6746-61-7190

TUBE

9

6746-61-7180

TUBE

10

6735-21-5680

O-RING

11

6755-61-6180

ELBOW

12

6755-61-6190

TUBE

|$16

6738-54-8110

SEAL

13

01584-00605

NUT

14

6755-61-6320

HOSE

15

6755-61-6330

CLAMP

Выбрано товаров: 20