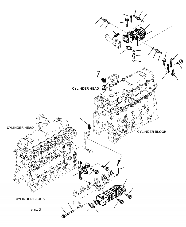
Запчасти Komatsu PC240LC-10 AER- ВЫПУСКН. GAS RECIRCULATION (EGR) КЛАПАН И ОХЛАДИТЕЛЬ ДВИГАТЕЛЬ

Схема запчастей Komatsu PC240LC-10 - AER- ВЫПУСКН. GAS RECIRCULATION (EGR) КЛАПАН И ОХЛАДИТЕЛЬ ДВИГАТЕЛЬ
10
8
9
1
30
13
12
7
5
3
28
11
6
2
4
3
2
4
14
18
16
17
15
29
21
27
22
23
23
24
20
19
26
25
FIT
1:1
100%

Артикул

Название

Примечание

Количество

|$0

6755-41-9200

VALVE ASSEMBLY, EXHAUST

1

6755-41-9100

VALVE

2

02781-0031D

UNION

3

07002-21423

O-RING

4

02896-21009

O-RING

5

02781-0021D

UNION

6

07002-21423

O-RING

7

02896-21008

O-RING

8

02781-00313

UNION

9

07002-21823

O-RING

10

02896-21009

O-RING

11

6755-11-9110

GASKET

12

6736-81-6190

BOLT

13

6745-81-9640

STUD

14

6732-62-3220

BOLT

15

6755-11-9120

BRACE

16

01435-00820

BOLT

17

01435-01020

BOLT

18

6755-11-9130

BRACE

19

6755-11-9140

SUPPORT

20

6732-61-3170

BOLT

21

6751-71-6340

BOLT

22

NSS

COOLER

23

6732-71-3220

BOLT

24

6754-11-5141

GASKET

25

6754-11-5150

SPACER

26

6732-11-5860

BOLT

27

6755-11-9150

TUBE

28

6755-81-9130

SENSOR, TEMPERATURE

29

6271-81-9300

SENSOR, PRESSURE

30

6755-81-9140

RETAINER

Выбрано товаров: 31