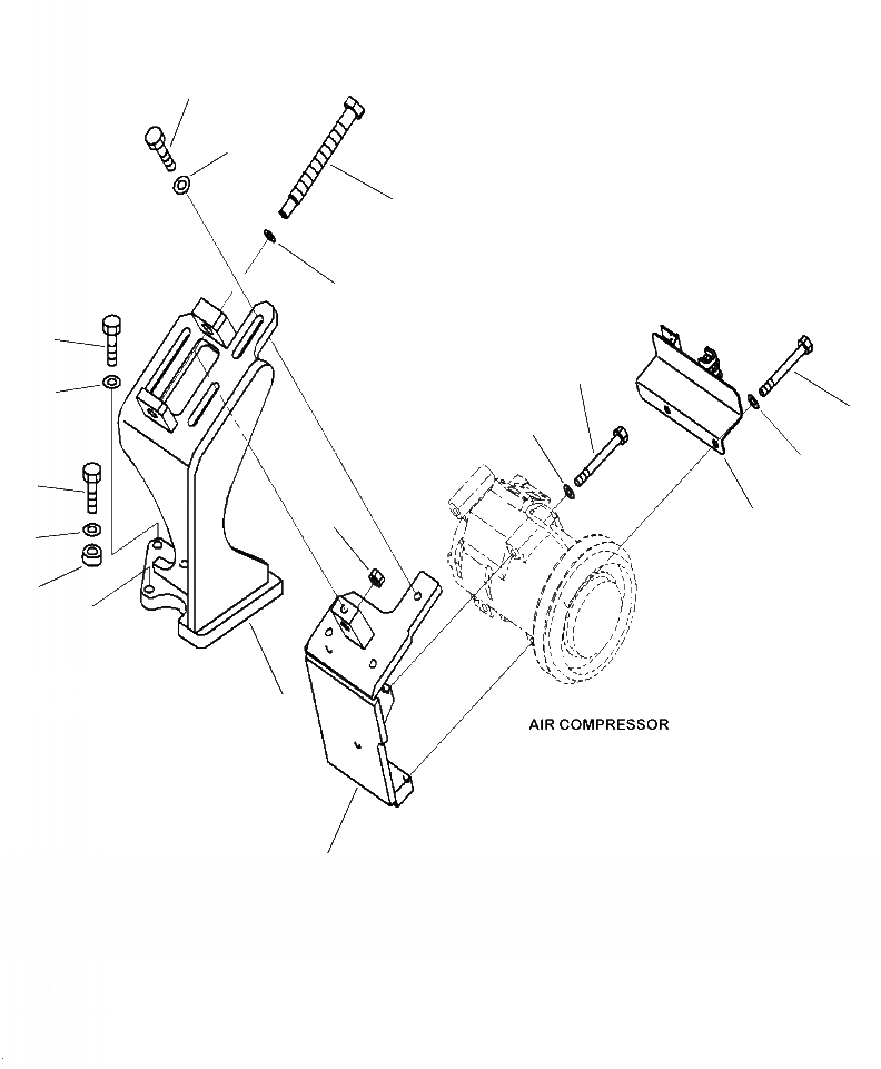
Запчасти Komatsu PC240LC-10 K7- КАБИНА КОНДИЦ. ВОЗДУХА КОМПРЕССОР КРЕПЛЕНИЕ OPERATOR\XD S ОБСТАНОВКА И СИСТЕМА УПРАВЛЕНИЯ

Схема запчастей Komatsu PC240LC-10 - K7- КАБИНА КОНДИЦ. ВОЗДУХА КОМПРЕССОР КРЕПЛЕНИЕ OPERATOR\XD S ОБСТАНОВКА И СИСТЕМА УПРАВЛЕНИЯ
3
4
5
6
11
8
12
8
9
9
13
10
7
14
15
1
2
FIT
1:1
100%

Артикул

Название

Примечание

Количество

1

206-979-3111

BRACKET

2

2A5-979-1362

BRACKET

3

01010-81035

BOLT

4

203-54-56970

WASHER

5

2A5-979-1620

BOLT

6

01643-31445

WASHER

7

01580-11411

NUT

8

01010-80875

BOLT

9

01643-30823

WASHER

10

2A5-979-1391

BRACKET

11

01010-81035

BOLT

12

01643-31032

WASHER

13

01010-81045

BOLT

14

01643-31032

WASHER

15

2A5-979-1650

WASHER

Выбрано товаров: 15