Запчасти Komatsu PC240LC-10 K- КАБИНА КОНДИЦ. ВОЗДУХА ВОЗДУХОВОДЫ (/) OPERATOR\XD S ОБСТАНОВКА И СИСТЕМА УПРАВЛЕНИЯ

Схема запчастей Komatsu PC240LC-10 - K- КАБИНА КОНДИЦ. ВОЗДУХА ВОЗДУХОВОДЫ (/) OPERATOR\XD S ОБСТАНОВКА И СИСТЕМА УПРАВЛЕНИЯ
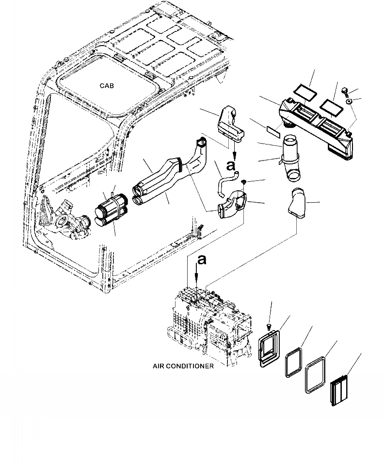
15
15
17
14
18
2
16
19
4
21
22
8
7
6
20
5
1
3
12
9
11
10
13
FIT
1:1
100%

Артикул

Название

Примечание

Количество

1

2A5-979-1211

DUCT

2

2A5-979-1221

DUCT

3

20Y-53-13351

DUCT

4

2A5-979-1231

DUCT

5

2A5-979-1241

DUCT

6

20Y-53-13361

DUCT

7

08034-20876

BAND

8

22B-54-16461

RIVET

9

2A5-979-1252

DUCT

10

2A5-979-1660

SEAL

11

2A5-979-1670

SEAL

12

208-53-12680

CLIP

13

17M-911-3530

ELEMENT

14

20Y-53-13451

DUCT

15

2A5-979-1580

SEAL

16

2A5-979-1590

SEAL

17

01435-80616

BOLT

18

20Y-53-12310

COLLAR

19

208-53-12220

DUCT

20

2A5-979-1261

DUCT

21

2A5-979-1271

HOSE

22

08034-20876

BAND

Выбрано товаров: 22