Качественные детали и логистика
Оригинальные и аналоговые запчасти с доставкой по России, Казахстану и Беларуси
©2022 PartSell ООО "Система" ИНН 2463123282 ОГРН 1212400004838
Центральный офис: г. Красноярск, Академика Киренского, д.87, пом.4
Телефон: 8 (800) 777-65-74 Email: zakaz@partsell.ru
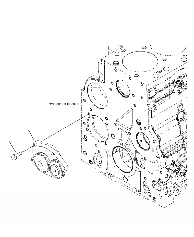
AL- СМАЗЫВ. НАСОС
№
Артикул
Название
Примечание
Количество
1
01010-80830
BOLT
6735-51-1120
2
6755-51-1110
PUMP, LUBRICATING OIL
Выбрано товаров: 0