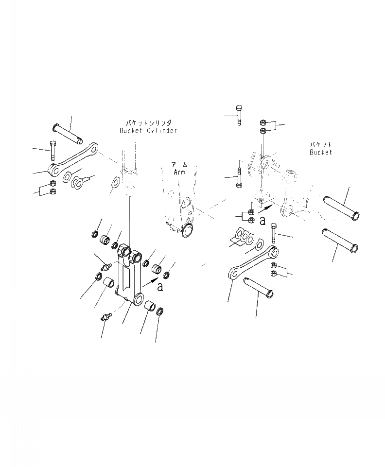
Запчасти Komatsu PC240LC-10 T- РУКОЯТЬ СОЕДИНЕНИЕ КОВША РАБОЧЕЕ ОБОРУДОВАНИЕ

Схема запчастей Komatsu PC240LC-10 - T- РУКОЯТЬ СОЕДИНЕНИЕ КОВША РАБОЧЕЕ ОБОРУДОВАНИЕ
1
2
2
3
3
4
4
5
5
5
5
5
5
6
6
7
8
9
10
11
12
13
14
15
16
16
17
18
19
20
21
22
FIT
1:1
100%

Артикул

Название

Примечание

Количество

|$1

206-70-00830

LINK ASSEMBLY

1

NSS

LINK

2

21K-70-12161

BUSHING

3

206-70-53150

BUSHING

4

07020-00000

FITTING, GREASE

5

20Y-70-23230

SEAL, DUST

6

206-70-57120

LINK

7

206-70-53143

PIN

8

20Y-70-32450

BOLT

9

01580-12016

NUT

10

20Y-70-11340

SPACER, T = 0.8 MM

11

205-70-51530

SPACER, T = 1.5 MM

12

206-70-53143

PIN

13

20Y-70-32450

BOLT

14

01580-12016

NUT

15

20Y-70-11340

SPACER, T = 0.8 MM

16

205-70-51530

SPACER, T = 1.5 MM

17

205-70-73270

PIN

18

20Y-70-32450

BOLT

19

01580-12016

NUT

20

205-70-73270

PIN

21

20Y-70-32460

BOLT

22

01580-12016

NUT

Выбрано товаров: 0