Качественные детали и логистика
Оригинальные и аналоговые запчасти с доставкой по России, Казахстану и Беларуси
©2022 PartSell ООО "Система" ИНН 2463123282 ОГРН 1212400004838
Центральный офис: г. Красноярск, Академика Киренского, д.87, пом.4
Телефон: 8 (800) 777-65-74 Email: zakaz@partsell.ru
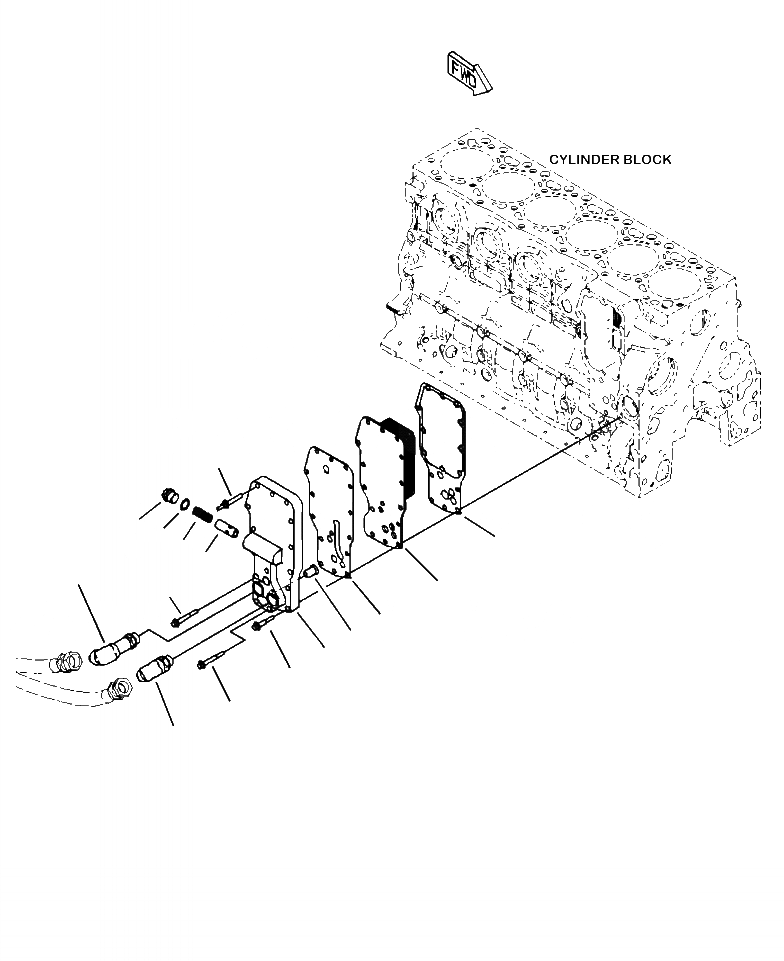
ALC- ДВИГАТЕЛЬ МАСЛООХЛАДИТЕЛЬ
№
Артикул
Название
Примечание
Количество
1
6754-61-2220
HEAD, OIL FILTER
2
6735-61-2140
PLUG, THREADED (M22-1.50)
3
6735-61-2160
PLUNGER, PRESSURE REGULATOR
4
6735-61-2190
SPRING, COMPRESSION
5
6732-51-4420
SEAL, O-RING
6
6731-61-2151
VALVE, PRESSURE RELIEF
7
6731-51-5250
ELBOW, MALE ADAPTER
8
6738-51-5240
N/I
6731-51-5290
O-RING
9
6754-51-4440
GASKET, FILTER HEAD
10
6754-61-2110
CORE, COOLER
11
6754-61-2320
GASKET, OIL COOLER CORE
12
6735-61-2120
BOLT (M8-1.25x45)
13
6736-21-3230
BOLT (M8-1.25x60)
14
6754-81-9161
BOLT
Выбрано товаров: 0