Качественные детали и логистика
Оригинальные и аналоговые запчасти с доставкой по России, Казахстану и Беларуси
©2022 PartSell ООО "Система" ИНН 2463123282 ОГРН 1212400004838
Центральный офис: г. Красноярск, Академика Киренского, д.87, пом.4
Телефон: 8 (800) 777-65-74 Email: zakaz@partsell.ru
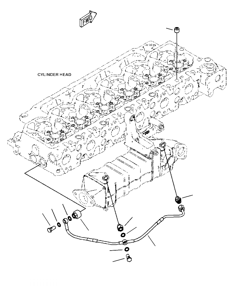
AR- ДВИГАТЕЛЬ ХЛАДАГЕНТ ВЕНТИЛЯТОР
№
Артикул
Название
Примечание
Количество
1
6732-61-2240
PLUG
2
6755-61-7110
CONNECTOR
3
6755-61-7120
UNION
4
6755-61-7140
N/I
6735-21-1970
O-RING
5
6755-61-7160
TUBE
6
6755-61-7170
SEAL, WASHER
7
6755-61-7180
BOLT
Выбрано товаров: 0