Качественные детали и логистика
Оригинальные и аналоговые запчасти с доставкой по России, Казахстану и Беларуси
©2022 PartSell ООО "Система" ИНН 2463123282 ОГРН 1212400004838
Центральный офис: г. Красноярск, Академика Киренского, д.87, пом.4
Телефон: 8 (800) 777-65-74 Email: zakaz@partsell.ru
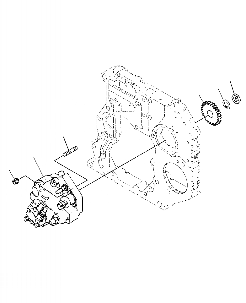
AFP- ТОПЛ. НАСОС
№
Артикул
Название
Примечание
Количество
1
6755-71-1310
PUMP ASSEMBLY
2
6754-71-3131
STUD
3
6751-71-3130
NUT
4
6754-71-3110
GEAR
5
6754-71-1351
WASHER, SPRING
6
6754-71-1340
Выбрано товаров: 0