Качественные детали и логистика
Оригинальные и аналоговые запчасти с доставкой по России, Казахстану и Беларуси
©2022 PartSell ООО "Система" ИНН 2463123282 ОГРН 1212400004838
Центральный офис: г. Красноярск, Академика Киренского, д.87, пом.4
Телефон: 8 (800) 777-65-74 Email: zakaz@partsell.ru
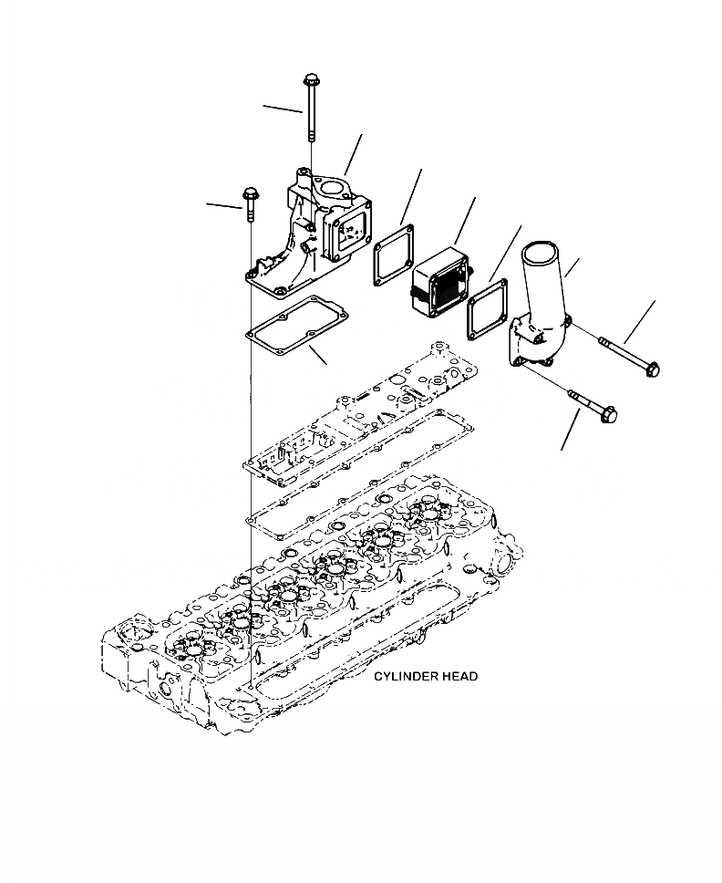
AIC- ВПУСК ВОЗДУХА СОЕДИН-Е
№
Артикул
Название
Примечание
Количество
1
6755-11-4110
CONNECTION
2
6754-11-4390
GASKET
3
6743-12-4110
BOLT
4
6746-11-4240
5
6754-81-5110
HEATER
6
6754-11-4120
7
6755-11-4130
PIPE
8
6742-01-2441
9
6742-01-4310
Выбрано товаров: 0