Запчасти Komatsu PC240LC-10 AWI- ВОДН. ВХОДН. СОЕДИН-Е ДВИГАТЕЛЬ

Схема запчастей Komatsu PC240LC-10 - AWI- ВОДН. ВХОДН. СОЕДИН-Е ДВИГАТЕЛЬ
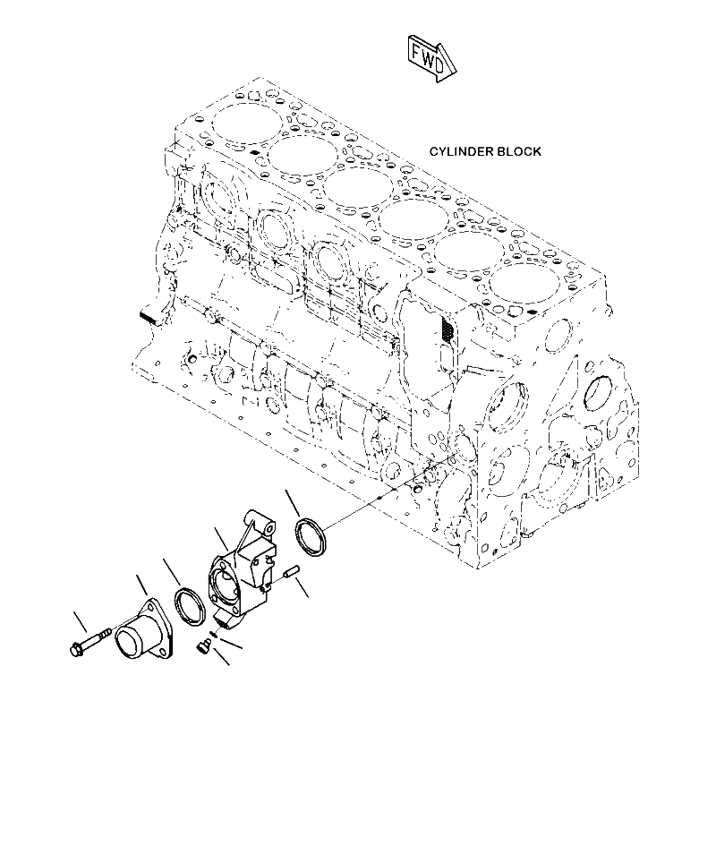
1
2
3
3
4
5
6
7
FIT
1:1
100%

Артикул

Название

Примечание

Количество

|$0

6755-61-6210

CONNECTION

1

6755-61-6220

CONNECTION

2

6737-32-2110

PIN

3

6732-61-6131

SEAL RING

4

6754-61-6130

CONNECTOR

5

6731-21-6220

BOLT

|$6

6735-21-1910

PLUG ASSEMBLY

6

6735-21-1920

PLUG

7

6735-21-1930

O-RING

Выбрано товаров: 9