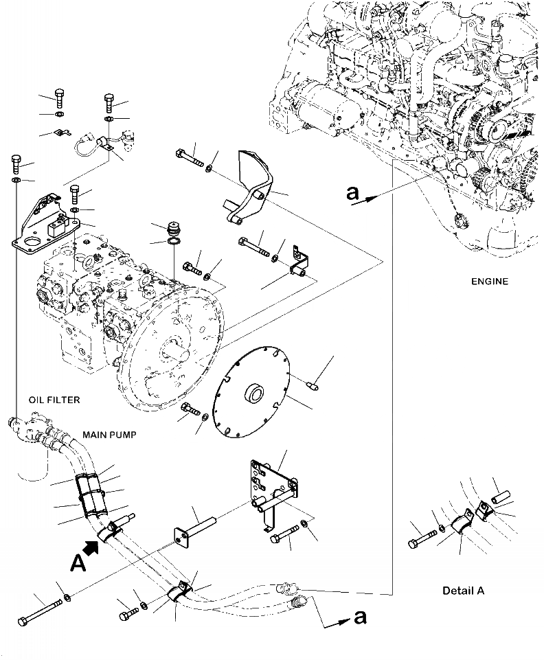
Запчасти Komatsu PC240LC-10 A9999- ДЕМПФЕР И ТРУБЫ КОМПОНЕНТЫ ДВИГАТЕЛЯ

Схема запчастей Komatsu PC240LC-10 - A9999- ДЕМПФЕР И ТРУБЫ КОМПОНЕНТЫ ДВИГАТЕЛЯ
7
8
9
11
12
10
6
5
13
14
24
25
23
21
22
20
16
17
18
19
15
1
2
3
4
27
27
26
26
27
27
28
29
30
29
30
31
32
33
34
34
35
35
36
37
38
39
40
41
42
43
FIT
1:1
100%

Артикул

Название

Примечание

Количество

1

22U-01-21310

DAMPER, DISK

2

203-01-51120

PIN

3

01010-81020

BOLT

4

01643-31032

WASHER

5

01010-81050

BOLT

6

01643-31032

WASHER

7

2A5-62-11231

BRACKET

8

01010-81090

BOLT

9

01643-31032

WASHER

10

2A5-06-11361

BRACKET

11

01010-81090

BOLT

12

01643-31032

WASHER

13

232-23-11220

BREATHER

14

07005-03016

SEAL, WASHER

15

2A5-62-11311

BRACKET

16

01010-80825

BOLT

17

01643-30823

WASHER

18

01010-81235

BOLT

19

01643-31232

WASHER

20

08193-20012

CLIP

21

01010-81220

BOLT

22

01643-31232

WASHER

23

04434-50612

CLIP

24

01010-81220

BOLT

25

01643-31232

WASHER

26

20Y-01-41250

COVER

27

08034-20536

BAND

28

08034-20536

BAND

29

07095-40627

CUSHION

30

04434-53412

CLIP

31

175-61-17240

COLLAR

32

01010-81295

BOLT

33

01643-31232

WASHER

34

07095-40627

CUSHION

35

04434-53412

CLIP

36

01010-81230

BOLT

37

01643-31232

WASHER

38

2A5-62-13451

BRACKET

39

01011-81255

BOLT

40

01643-31232

WASHER

41

2A5-06-11331

BRACKET

42

01010-81280

BOLT

43

01643-31232

WASHER

Выбрано товаров: 43