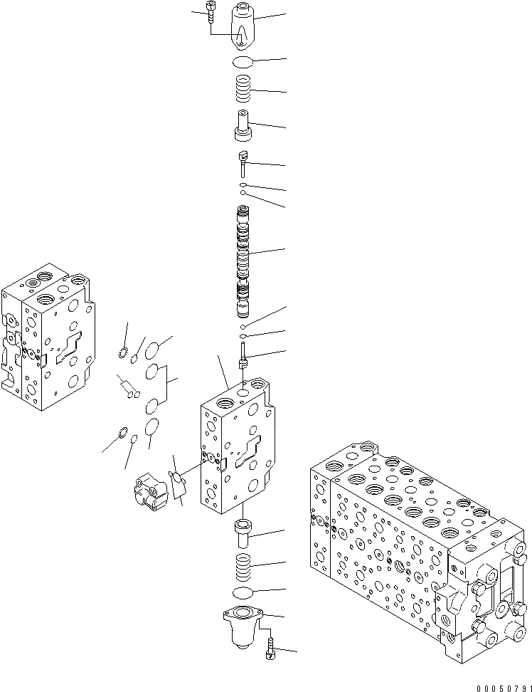
Запчасти Komatsu PC240LC-10 ОСНОВН. УПРАВЛЯЮЩ. КЛАПАН, С -ДОПОЛН. АКТУАТОР ТРУБЫ, АККУМУЛЯТОР, ДЛЯ 2-СЕКЦИОНН. СТРЕЛЫ, ВНУТР. ЧАСТИ (8/) ОСНОВН. УПРАВЛЯЮЩ. КЛАПАН, С -ДОПОЛН. АКТУАТОР ТРУБЫ, АККУМУЛЯТОР, ДЛЯ 2-СЕКЦИОНН. СТРЕЛЫ

Схема запчастей Komatsu PC240LC-10 - ОСНОВН. УПРАВЛЯЮЩ. КЛАПАН, С -ДОПОЛН. АКТУАТОР ТРУБЫ, АККУМУЛЯТОР, ДЛЯ 2-СЕКЦИОНН. СТРЕЛЫ, ВНУТР. ЧАСТИ (8/) ОСНОВН. УПРАВЛЯЮЩ. КЛАПАН, С -ДОПОЛН. АКТУАТОР ТРУБЫ, АККУМУЛЯТОР, ДЛЯ 2-СЕКЦИОНН. СТРЕЛЫ
10
8
9
7
6
3
4
5
2
5
4
3
6
7
9
8
10
11
12
15
13
16
17
16
13
15
14
1
FIT
1:1
100%

Артикул

Название

Примечание

Количество

|$0

723-49-29800

Valve Assembly, Control

3

723-46-15130

Plug

4

07002-10823

O-Ring

5

708-7T-16460

Ball

6

723-46-15120

Retainer

7

723-46-14110

Spring

8

723-46-15111

Case

9

07430-71380

O-Ring

10

01252-60820

Bolt

11

07000-11009

O-Ring

12

07000-12021

O-Ring

13

723-11-19130

O-Ring

14

07000-13032

O-Ring

15

723-46-17510

O-Ring

16

723-46-17520

Ring, Back-Up

17

723-46-17530

O-Ring

Выбрано товаров: 16