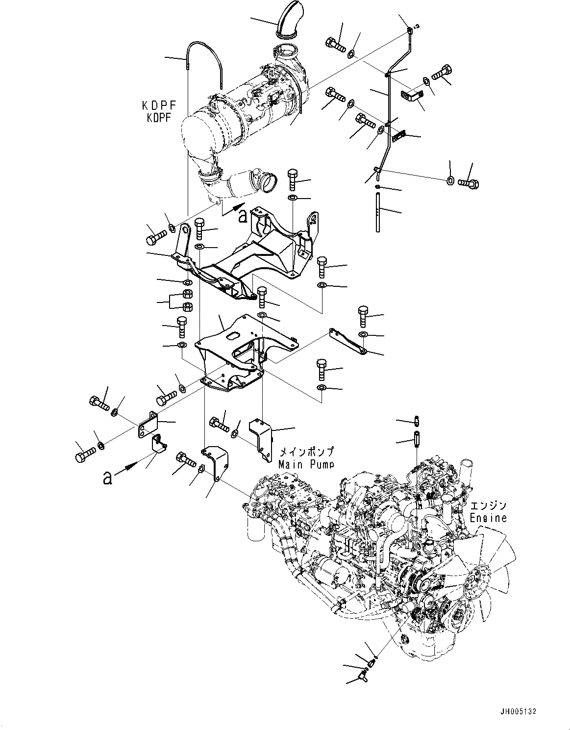
Запчасти Komatsu PC240LC-10 КОМПОНЕНТЫ ДВИГАТЕЛЯ, KDPF КРЕПЛЕНИЕ КОМПОНЕНТЫ ДВИГАТЕЛЯ

Схема запчастей Komatsu PC240LC-10 - КОМПОНЕНТЫ ДВИГАТЕЛЯ, KDPF КРЕПЛЕНИЕ КОМПОНЕНТЫ ДВИГАТЕЛЯ
8
1
41
42
2
40
31
8
38
39
41
42
40
33
32
42
41
37
34
36
35
40
4
5
26
27
6
7
4
5
3
9
10
14
11
14
15
23
24
22
12
13
44
43
16
17
18
15
24
23
30
29
28
30
29
47
48
45
46
25
20
21
19
FIT
1:1
100%

Артикул

Название

Примечание

Количество

1

6755-11-5170

Pipe

1

2A5-01-11343

Pipe

2

2A5-01-11720

Joint

3

2A5-01-11373

Bracket

4

01010-81230

Bolt

5

01643-31232

Washer

6

01010-81250

Bolt

7

01643-31232

Washer

8

2A5-01-11412

Bolt

9

2A5-01-11421

Washer

10

01581-01008

Nut

11

2A5-01-11382

Bracket

11

2A5-01-11381

Bracket

12

01010-81240

Bolt

13

01643-31232

Washer

14

01010-81240

Bolt

15

01643-31232

Washer

16

2A5-01-11391

Bracket

17

01010-81240

Bolt

18

01643-31232

Washer

19

2A5-01-11490

Bracket

20

01010-81240

Bolt

21

01643-31232

Washer

22

2A5-01-11531

Bracket

23

01010-81230

Bolt

24

01643-31232

Washer

25

2A5-01-11521

Bracket

26

01010-81030

Bolt

27

01643-31032

Washer

28

2A5-01-11510

Bracket

29

01010-81230

Bolt

30

175-54-34170

Washer

31

2A5-01-11432

Tube

32

2A5-01-11551

Hose

33

07285-00150

Clip, Hose

34

2A5-01-11450

Bracket

35

01010-81225

Bolt

36

01643-31232

Washer

37

2A5-01-11441

Plate

38

01010-81225

Bolt

39

01643-31232

Washer

40

2A5-01-11750

Clip

41

01010-81225

Bolt

42

01643-31232

Washer

43

2A5-977-1121

Elbow

44

2A5-977-1140

Nipple

45

2A5-977-1130

Adapter

46

6251-51-9890

O-Ring

47

2A5-977-1111

Elbow

48

07002-11423

O-Ring

Выбрано товаров: 50