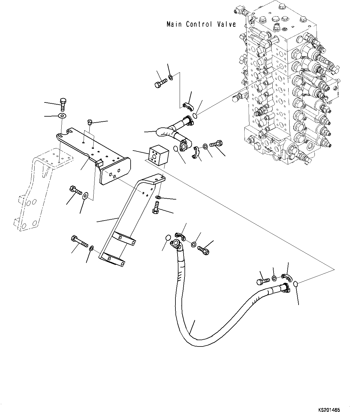
Запчасти Komatsu PC240LC-10 НАВЕСН. ОБОРУД ТРУБЫ, ДЛЯ 2-СЕКЦИОНН. СТРЕЛЫ, ОСНОВН. ТРУБЫ, LHS НАВЕСН. ОБОРУД ТРУБЫ, ДЛЯ 2-СЕКЦИОНН. СТРЕЛЫ

Схема запчастей Komatsu PC240LC-10 - НАВЕСН. ОБОРУД ТРУБЫ, ДЛЯ 2-СЕКЦИОНН. СТРЕЛЫ, ОСНОВН. ТРУБЫ, LHS НАВЕСН. ОБОРУД ТРУБЫ, ДЛЯ 2-СЕКЦИОНН. СТРЕЛЫ
17
16
15
14
14
8
10
9
13
1
24
25
26
23
25
26
4
3
2
20
22
21
19
11
12
6
7
5
18
19
FIT
1:1
100%

Артикул

Название

Примечание

Количество

1

20Y-62-58281

Block

2

01010-81240

Bolt

3

01643-31232

Washer

4

2A5-62-13910

Bracket

5

07371-31049

Flange, Split

6

07372-21035

Bolt

7

01643-51032

Washer

8

07371-31049

Flange, Split

9

07372-21035

Bolt

10

01643-51032

Washer

11

01010-81285

Bolt

12

01643-31232

Washer

13

07098-01007

Hose

14

07000-13032

O-Ring

15

07371-31039

Flange, Split

16

07372-21035

Bolt

17

01643-51032

Washer

18

206-62-K3590

Hose

19

07000-13032

O-Ring

20

07371-31049

Flange, Split

21

07372-21035

Bolt

22

01643-51032

Washer

23

206-62-32441

Bracket

24

07049-01215

Plug

25

01010-81235

Bolt

26

175-54-34170

Washer

Выбрано товаров: 26