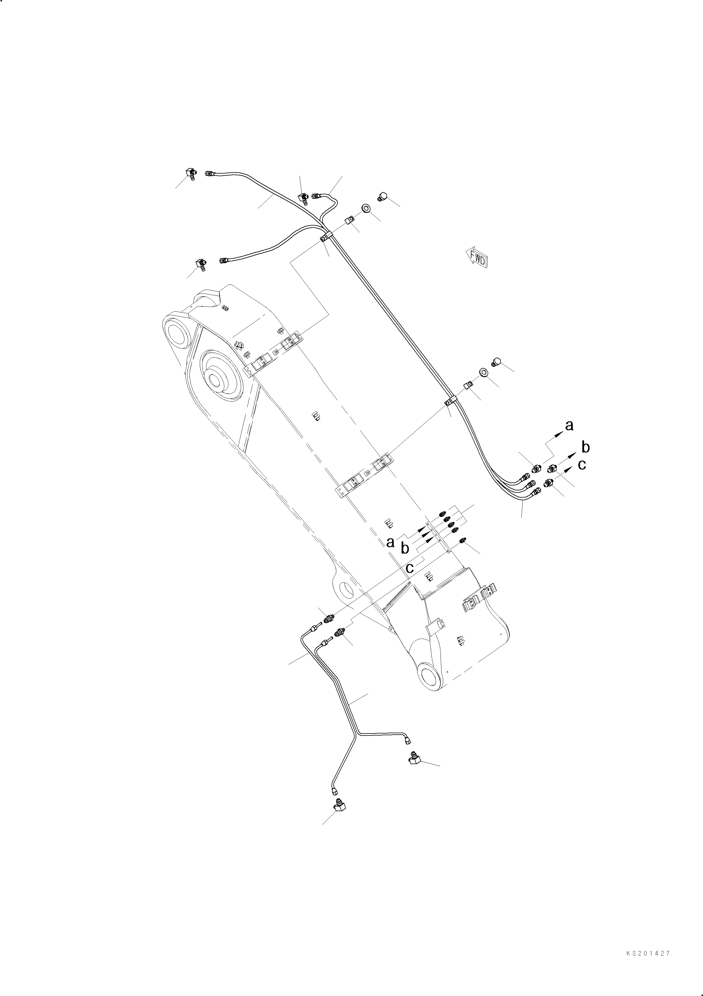
Запчасти Komatsu PC240LC-10 СТРЕЛА, ПЕРВ. СТРЕЛА, ДЛЯ 2-СЕКЦИОНН. СТРЕЛЫ, СМАЗЫВАЮЩ. ЛИНИЯ СТРЕЛА, ПЕРВ. СТРЕЛА, ДЛЯ 2-СЕКЦИОНН. СТРЕЛЫ

Схема запчастей Komatsu PC240LC-10 - СТРЕЛА, ПЕРВ. СТРЕЛА, ДЛЯ 2-СЕКЦИОНН. СТРЕЛЫ, СМАЗЫВАЮЩ. ЛИНИЯ СТРЕЛА, ПЕРВ. СТРЕЛА, ДЛЯ 2-СЕКЦИОНН. СТРЕЛЫ
10
8
13
14
9
12
7
10
10
13
14
9
12
11
11
11
6
1
2
2
4
3
5
5
1
FIT
1:1
100%

Артикул

Название

Примечание

Количество

1

07020-00000

Fitting, Grease

2

20Y-70-11540

Connector

3

206-70-K3170

Tube

4

206-70-K3160

Tube

5

20Y-25-11270

Elbow

6

206-62-K3750

Hose

7

206-62-K3760

Hose

8

206-62-K3770

Hose

9

04434-51012

Clip

10

205-70-51380

Elbow

11

205-70-51390

Nipple

12

04434-52112

Clip

13

01010-81220

Bolt

14

01643-31232

Washer

Выбрано товаров: 14