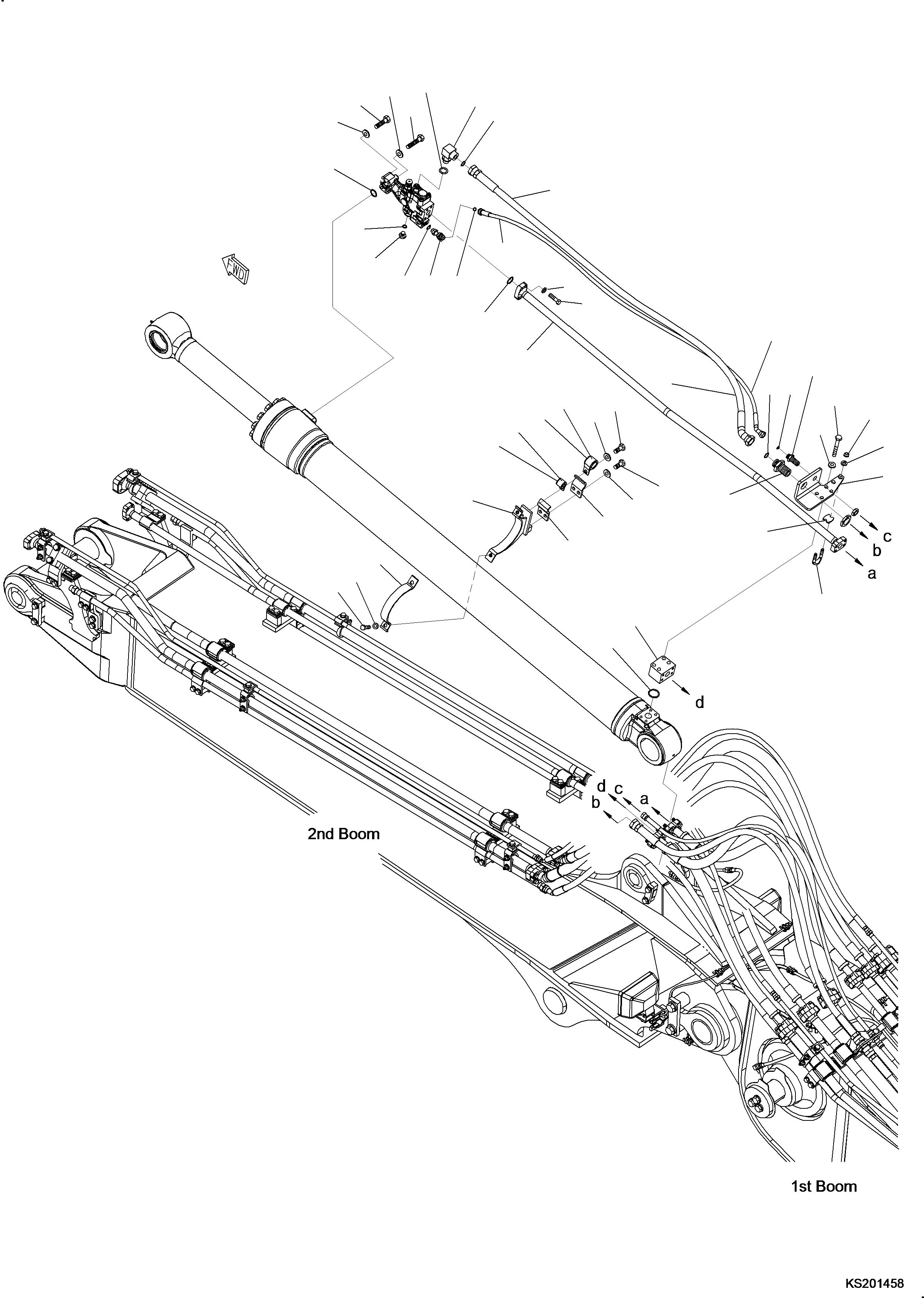
Запчасти Komatsu PC240LC-10 ЦИЛИНДР РУКОЯТИ, С ANTI-DROP КЛАПАН, ДЛЯ 2-СЕКЦИОНН. СТРЕЛЫ, ЦИЛИНДР РУКОЯТИТРУБЫ (/) ЦИЛИНДР РУКОЯТИ, С ANTI-DROP КЛАПАН, ДЛЯ 2-СЕКЦИОНН. СТРЕЛЫ

Схема запчастей Komatsu PC240LC-10 - ЦИЛИНДР РУКОЯТИ, С ANTI-DROP КЛАПАН, ДЛЯ 2-СЕКЦИОНН. СТРЕЛЫ, ЦИЛИНДР РУКОЯТИТРУБЫ (/) ЦИЛИНДР РУКОЯТИ, С ANTI-DROP КЛАПАН, ДЛЯ 2-СЕКЦИОНН. СТРЕЛЫ
5
4
3
2
1
7
6
8
18
13
12
10
9
11
17
14
15
16
43
18
42
26
29
30
25
11
27
8
41
31
28
24
23
32
32
34
33
19
36
35
38
37
40
39
21
22
20
43
FIT
1:1
100%

Артикул

Название

Примечание

Количество

1

07372-21060

Bolt

2

01643-51032

Washer

3

07372-21050

Bolt

4

01643-51032

Washer

5

07000-13030

O-Ring

6

206-62-73440

Elbow

7

07002-12034

O-Ring

8

02896-11018

O-Ring

9

11Y-62-12510

Elbow

10

07002-11423

O-Ring

11

02896-11009

O-Ring

12

07040-11409

Plug

13

07002-11423

O-Ring

14

707-86-69350

Tube

15

07372-21035

Bolt

16

01643-51032

Washer

17

07000-13030

O-Ring

18

02764-00617

Hose

19

206-62-21921

Bracket

20

707-88-21321

Band

21

07372-21035

Bolt

22

01643-51032

Washer

23

20Y-62-47620

Elbow

24

07000-13035

O-Ring

25

707-88-41220

Bracket

26

01010-81080

Bolt

27

01643-31032

Washer

28

07283-32746

Clip

29

01597-01009

Nut

30

01643-31032

Washer

31

07283-52737

Seat

32

20Y-62-13650

Clamp

33

01010-81230

Bolt

34

01643-31232

Washer

35

04434-52112

Clip

36

07095-20314

Cushion

37

04434-53412

Clip

38

07095-20627

Cushion

39

01010-81225

Bolt

40

01643-31232

Washer

41

206-62-K3670

Union

42

20E-62-31950

Union

43

02764-00317

Hose

Выбрано товаров: 43