Запчасти Komatsu PC240LC-3K ГИДРОЛИНИЯ (ВОЗВРАТ. И МАСЛООХЛАДИТЕЛЬ) (A¤B) УПРАВЛ-Е РАБОЧИМ ОБОРУДОВАНИЕМ

Схема запчастей Komatsu PC240LC-3K - ГИДРОЛИНИЯ (ВОЗВРАТ. И МАСЛООХЛАДИТЕЛЬ) (A¤B) УПРАВЛ-Е РАБОЧИМ ОБОРУДОВАНИЕМ
FIT
1:1
100%

Артикул

Название

Примечание

Количество

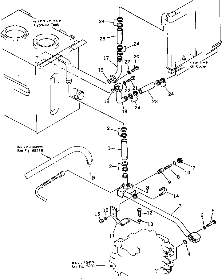
1

205-62-68330

HOSE

2

208-09-11110

CLAMP

3

205-62-71277

TUBE

|3

205-62-71276

TUBE

4

07000-03035

O-RING

5

01010-51085

BOLT

6

01643-31032

WASHER

7

205-62-71971

PLUG

8

135-60-17110

SPRING

9

205-60-71230

POPPET

10

07002-05234

O-RING

11

205-62-71952

BRACKET

12

01010-51230

BOLT

13

01643-31232

WASHER

14

07283-24346

CLIP

15

01599-01011

NUT

16

01643-31032

WASHER

17

205-62-71913

TUBE

|17

205-62-71912

TUBE

18

206-62-45162

TUBE

|18

206-62-45161

TUBE

19

07000-02065

O-RING

20

01010-51035

BOLT

21

01010-51070

BOLT

22

01643-31032

WASHER

23

205-62-68330

HOSE

24

208-09-11110

CLAMP

Выбрано товаров: 27