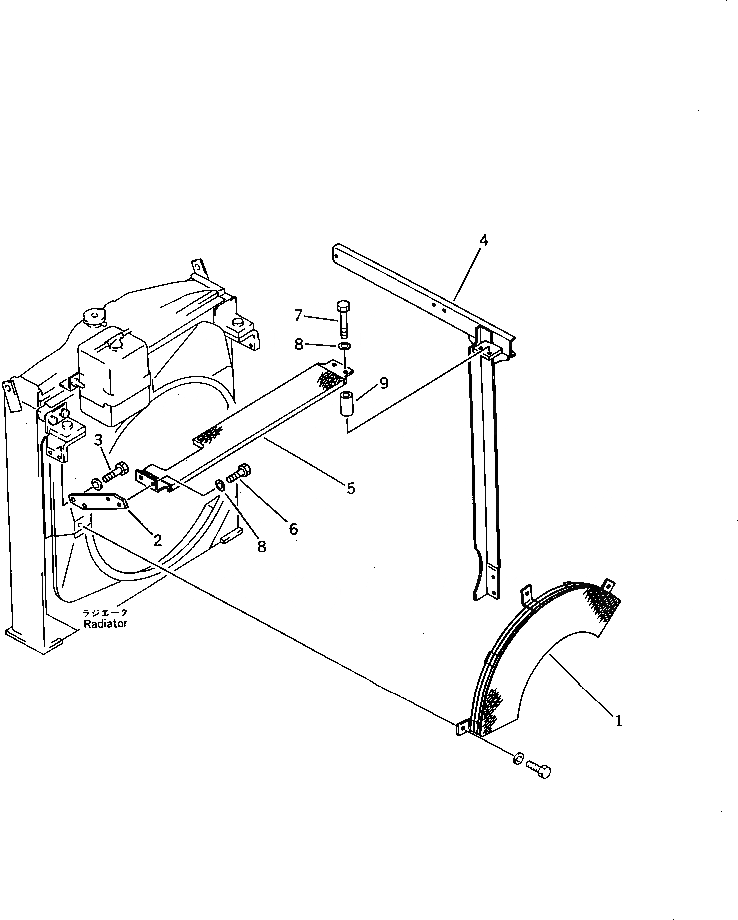
Запчасти Komatsu PC240LC-3K ЗАЩИТА РАДИАТОРА (REGULATION OF SWEDEN) ИНСТРУМЕНТ

Схема запчастей Komatsu PC240LC-3K - ЗАЩИТА РАДИАТОРА (REGULATION OF SWEDEN) ИНСТРУМЕНТ
FIT
1:1
100%

Артикул

Название

Примечание

Количество

1

205-03-71510

GUARD

2

205-03-71491

BRACKET

3

01010-51245

BOLT

4

205-54-72870

FRAME

5

205-54-75790

COVER

6

01010-51225

BOLT

7

01010-51280

BOLT

8

01643-31232

WASHER

9

206-62-41670

COLLAR

Выбрано товаров: 9