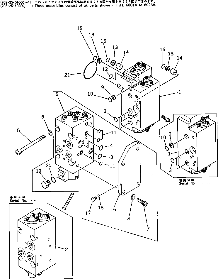
Запчасти Komatsu PC240LC-3K СЕРВОКЛАПАН¤ ПЕРЕДН. (/) (C) УПРАВЛ-Е РАБОЧИМ ОБОРУДОВАНИЕМ

Схема запчастей Komatsu PC240LC-3K - СЕРВОКЛАПАН¤ ПЕРЕДН. (/) (C) УПРАВЛ-Е РАБОЧИМ ОБОРУДОВАНИЕМ
FIT
1:1
100%

Артикул

Название

Примечание

Количество

|1

708-25-01051

PUMP ASS'Y

|1

708-25-07110

SERVO VALVE ASS'Y,FRONT

1

708-25-17200

VALVE ASS'Y

2

708-25-07510

VALVE ASS'Y

3

07000-02011

O-RING

4

708-25-19160

BOLT

5

01602-20825

WASHER,SPRING

6

720-68-11920

FILTER

7

07000-12010

O-RING

8

07000-11009

O-RING

9

720-68-11920

FILTER

10

708-25-19150

ORIFICE

11

07000-12010

O-RING

12

07000-03048

O-RING

Выбрано товаров: 14