Запчасти Komatsu PC240LC-6K ОСНОВН. КЛАПАН (-АКТУАТОР) (/)(№K-) ГИДРАВЛИКА

Схема запчастей Komatsu PC240LC-6K - ОСНОВН. КЛАПАН (-АКТУАТОР) (/)(№K-) ГИДРАВЛИКА
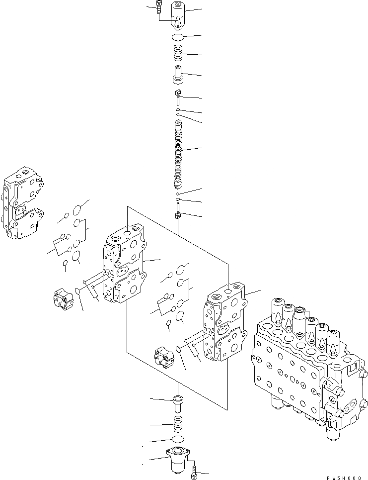
1
1
2
3
3
4
4
5
5
6
6
7
7
8
8
9
9
10
10
11
11
12
12
13
13
14
14
14
14
15
15
16
16
16
16
FIT
1:1
100%

Артикул

Название

Примечание

Количество

|1

723-48-13502

VALVE ASS'Y

|1

723-48-13501

VALVE ASS'Y

|1

723-48-13500

VALVE ASS'Y

|1

BODY SUB ASS'Y

1

BLOCK,VALVE

2

SPOOL

3

723-46-15130

PLUG

4

07002-10823

O-RING

5

708-7T-16460

BALL

6

723-46-15120

RETAINER

7

723-46-14110

SPRING

8

723-46-15110

CASE

9

07430-71380

O-RING

10

01252-30820

BOLT

11

07000-11009

O-RING

12

07000-12021

O-RING

13

07000-12015

O-RING

14

07000-12018

O-RING

15

07000-13032

O-RING

16

07000-03040

O-RING

Выбрано товаров: 20