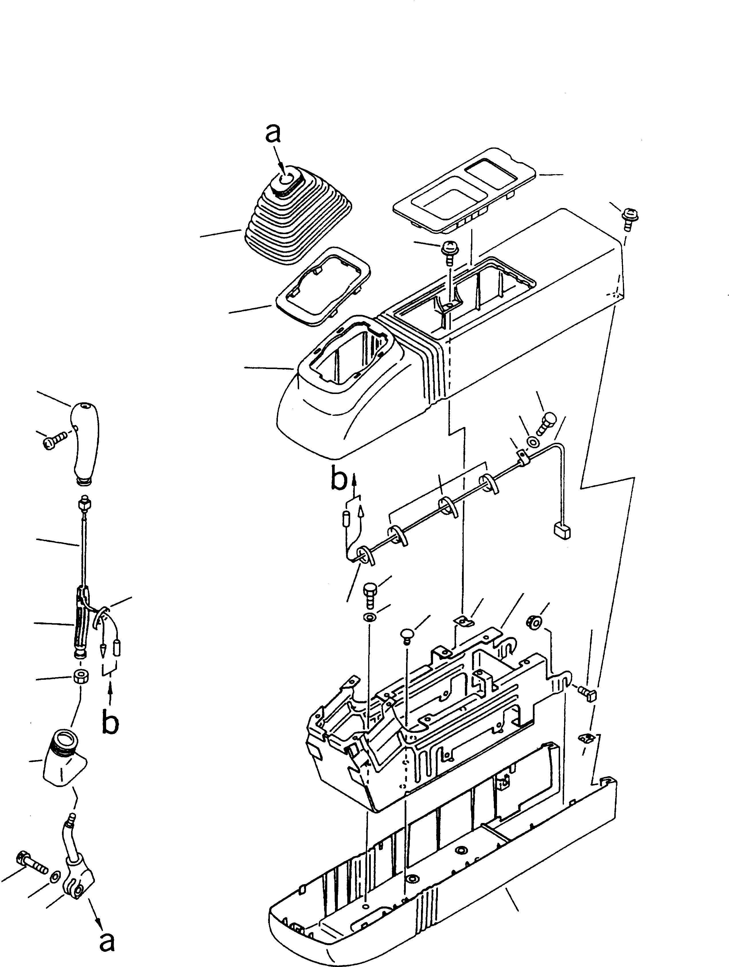
Запчасти Komatsu PC240LC-6K ПРАВ. СТОЙКА (РЫЧАГ И COVER) (РЫЧАГ С КЛАПАНОМ PPC)(№K-K999) КАБИНА ОПЕРАТОРА И СИСТЕМА УПРАВЛЕНИЯ

Схема запчастей Komatsu PC240LC-6K - ПРАВ. СТОЙКА (РЫЧАГ И COVER) (РЫЧАГ С КЛАПАНОМ PPC)(№K-K999) КАБИНА ОПЕРАТОРА И СИСТЕМА УПРАВЛЕНИЯ
7
6
11
3
2
5
4
9
8
27
28
1
10
12
13
12
16
14
17
15
18
18A
25
26
21
23
20
24
22
23
19
FIT
1:1
100%

Артикул

Название

Примечание

Количество

|1

20Y-43-22790

LEVER ASS'Y,R.H.

1

20Y-43-22820

LEVER,R.H.

|2

20Y-43-22241

KNOB ASS'Y,R.H.

2

01370-10308

SCREW

3

20Y-43-22390

KNOB,R.H.

4

20Y-43-22420

INSERT

5

20Y-43-22440

SWITCH,R.H.

6

20Y-43-22250

PLATE

7

20Y-43-22261

BOOT

8

20Y-43-22830

BOOT

9

600-411-1280

NUT

10

08034-00310

BAND

11

20Y-43-22121

CASE

12

20Y-43-16590

SCREW

13

20Y-43-22860

COVER,R.H.

14

20Y-06-21350

WIRING HARNESS

15

424-06-12850

CLIP

16

01010-50820

BOLT

17

01643-30823

WASHER

18

08034-00519

BAND

18A

08034-00310

BAND

|19

20Y-43-21651

COVER ASS'Y

19

20Y-43-22111

CASE

20

20Y-43-22131

FRAME

21

20Y-43-22310

CLIP

22

20Y-43-22470

BOLT

23

20Y-43-22480

SPRING

24

198-911-5530

NUT

25

01010-51025

BOLT

26

01643-31032

WASHER

27

01252-41025

BOLT

28

01643-31032

WASHER

Выбрано товаров: 32