Запчасти Komatsu PC240LC-7K ОСНОВН. КОНСТРУКЦИЯ (КАБИНА) (РЫЧАГ И КЛАПАН) (ЛЕВ.)(№K-) КАБИНА ОПЕРАТОРА И СИСТЕМА УПРАВЛЕНИЯ

Схема запчастей Komatsu PC240LC-7K - ОСНОВН. КОНСТРУКЦИЯ (КАБИНА) (РЫЧАГ И КЛАПАН) (ЛЕВ.)(№K-) КАБИНА ОПЕРАТОРА И СИСТЕМА УПРАВЛЕНИЯ
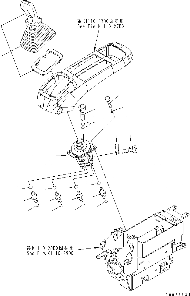
1
1
2
3
4
5
6
7
8
8
8
8
9
9
9
9
10
10
10
10
FIT
1:1
100%

Артикул

Название

Примечание

Количество

1

702-16-09131

VALVE ASS'Y,L.H. (SEE FIG.Y1670-11D0)

2

01010-80820

BOLT

3

01643-30823

WASHER

4

20Y-62-18910

BOLT

5

07000-12018

O-RING

6

20Y-62-18890

BOLT

7

07000-12015

O-RING

8

11Y-62-12130

NIPPLE

9

02896-11008

O-RING

10

07002-11423

O-RING

Выбрано товаров: 0